EasyManua.ls Logo

Yamaha F150B - Page 101

Yamaha F150B
458 pages
Print Icon
To Next Page IconTo Next Page
To Next Page IconTo Next Page
To Previous Page IconTo Previous Page
To Previous Page IconTo Previous Page
Loading...
3-24
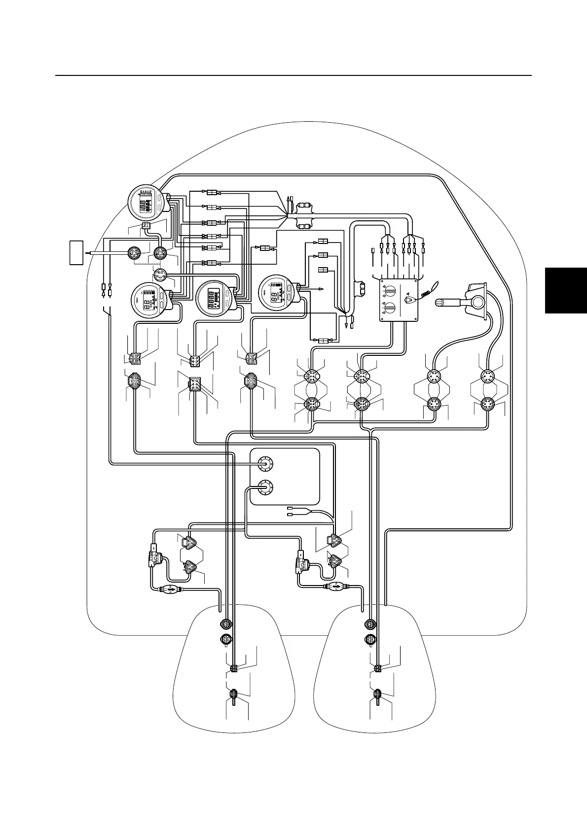
System diagram
0
1
2
3
4
5
6
7
8
9
10
A
TRIP TIME BATT
Km/h
knot
mph
km
mile
SPEED
YA MAHA
set
mode
FUEL MANA GEMENT
YA M A H A
set
mode
1/h
gph
Km/L
mpg
TTL
ECON SYNC
1
2
3
4
5
TACH
x
100
r/min
set mode
h
1
2
3
4
5
TACH
x
100
r/min
set mode
h
Pu
Pu
B
B
Br
Br
B
B
O
O
O
Y
Y
Y
YY
Y
Y
Y
Y
Y
L
L
L
R
R
R
R
R
G
G
G
G
G
R
G
B
B
B
B
B
B
B
B
L
G
G
P
Gy
Gy
G/W
G/W
G/W
W/R
Pu/W
O/B
W/R
Pu/W
Pu/W
G/R
G/R
O/B
G/R
G/R
Gy
Gy
P
P
P
P
P
W(+)
W
B
R
R
B
W
Pu
Pu
O
O
O
B
B
P/ W
P/ B
P/ B
Gy
G
PP
P/ W
G/R
G/R
P/ B
P/ B
Gy
G
PP
W
W
W
B
B
Br
Br
Br
Br
Br
B
Y
L
Lg
G
R
R
G
P
P
W
Sb
Sb
B
Br
Br
Br
Lg
R
Sb
Sb
B
B
R
W
(*1)
NMEA0183
a
b
c
c
d
e
h
f
g
g
l
l
k
k
j
j
i
A
B
(*1)
IN
UP
OUT
IN
UP
OUT

Table of Contents

Related product manuals