EasyManua.ls Logo

Yamaha F150B - Junction Box

Yamaha F150B
458 pages
Print Icon
To Next Page IconTo Next Page
To Next Page IconTo Next Page
To Previous Page IconTo Previous Page
To Previous Page IconTo Previous Page
Loading...
7-15
Power unit
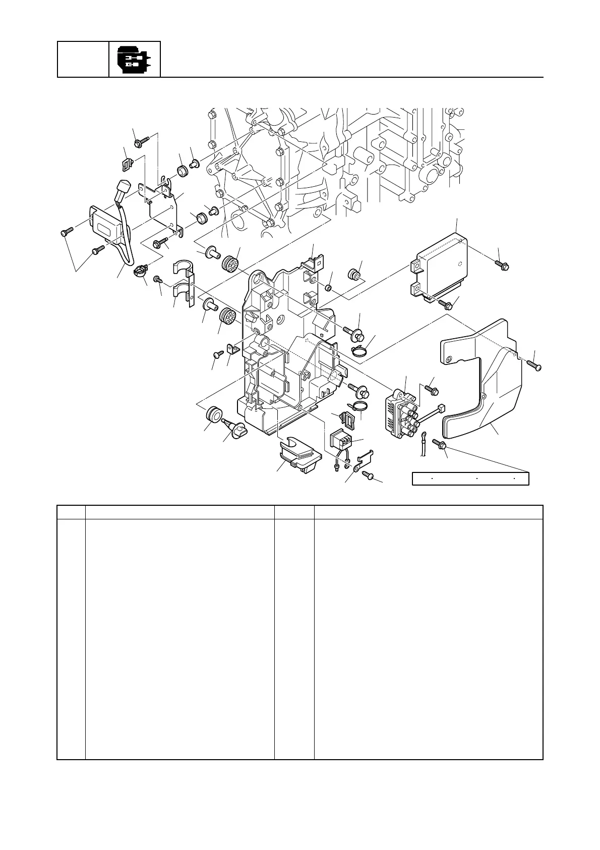
POWR
Junction box
No. Part name Q’ty Remarks
1Bolt 3 M6 × 28 mm
2 Holder 1
3 Collar 3
4Grommet 3
5 Bracket 1
6 Holder 1
7 Hour meter 1
8Screw 2 M5 × 16 mm
9 Collar 3
10 Grommet 3
11 Junction box 1
12 Collar 4
13 Grommet 1
14 Bolt 3 M6 × 35 mm
15 Plastic tie 2
16 Engine ECM 1
17 Bolt 4 M6 × 16 mm
17
17
18
19
22
14
11
10
23
1
2
4
4
5
6
1
7
8
3
23
31
29
25
23
24
9
12
13
15
15
26
20
16
21
28
27
4 N m (0.4 kgf m, 3.0 ft lb)
3
30
10
9

Table of Contents

Related product manuals