EasyManua.ls Logo

Yamaha F150B - Page 49

Yamaha F150B
458 pages
Print Icon
To Next Page IconTo Next Page
To Next Page IconTo Next Page
To Previous Page IconTo Previous Page
To Previous Page IconTo Previous Page
Loading...
2-6
Electronic control system
0
1
2
3
4
5
6
7
8
9
10
A
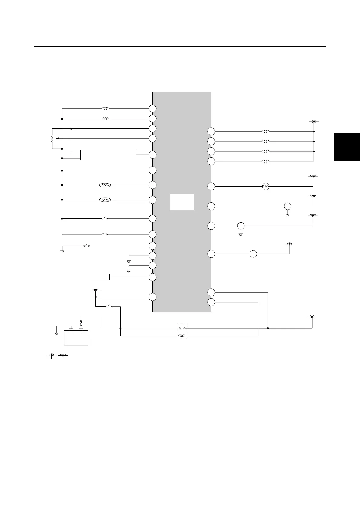
Circuit diagram
YDIS
Engine
ECM
14
15
10
34
33
8
35
7
4
37
31
40
39
41
17
27
3
2
43
30
P
BZ
32
42
26
13
16
T
Pulser coil #1
Pulser coil #2
TPS
Same marks are connected by each other.
Air pressure sensor
Ground
Engine temperature sensor
Air temperature sensor
Neutral switch
Thermoswitch
Engine shut-off switch
Battery
Main relay
Main switch
High-pressure fuel pump
Fuel injector #1
Fuel injector #2
Fuel injector #3
Fuel injector #4
Tacho meter
Check engine lamp
Alert buzzer
Pulser coil #1
Pulser coil #2
Air pressure sensor
Ground
Engine temperature sensor
Air temperature sensor
Engine shut-off switch
Thermoswitch
Neutral switch
Engine start switch
Battery
Main relay
Same marks are connected by each other.
Fuel injector #1
Fuel injector #2
Fuel injector #3
Fuel injector #4
Diagnostic flash indicator
Alert buzzer
Tachometer
High-pressure fuel pump
Engine
ECM

Table of Contents

Related product manuals