EasyManua.ls Logo

BRP 2995 Johnson - Oil Passage Location

BRP 2995 Johnson
264 pages
Print Icon
To Next Page IconTo Next Page
To Next Page IconTo Next Page
To Previous Page IconTo Previous Page
To Previous Page IconTo Previous Page
Loading...
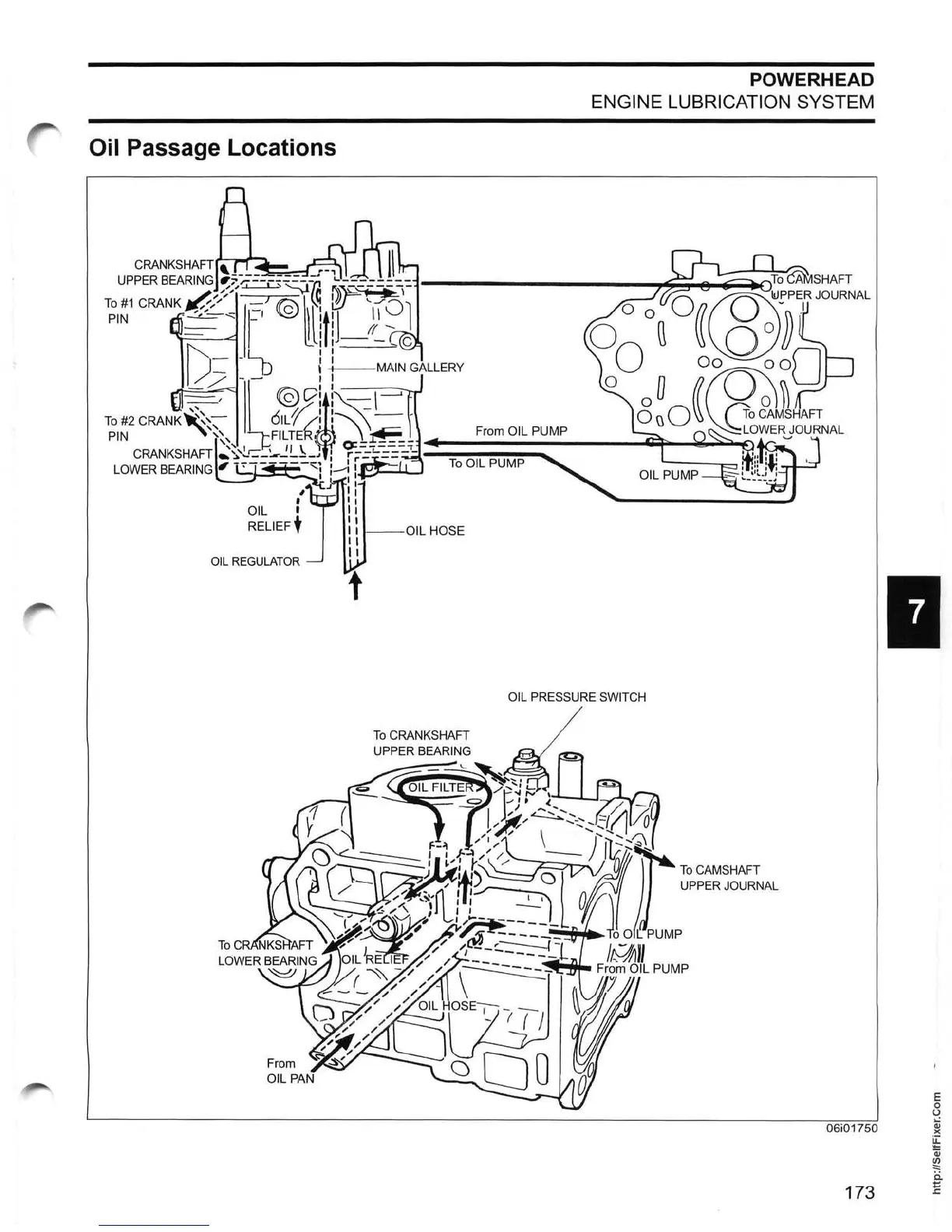
Oil Passage Locations
From OIL PUMP
To
OIL PUMP
OIL HOSE
OIL
REGULATOR
POWERHEAD
ENGINE LUBRICATION SYSTEM
06i01750
173
I

Table of Contents

Related product manuals