EasyManua.ls Logo

Keysight Technologies X Series - Page 482

Keysight Technologies X Series
671 pages
To Next Page IconTo Next Page
To Next Page IconTo Next Page
To Previous Page IconTo Previous Page
To Previous Page IconTo Previous Page
Loading...
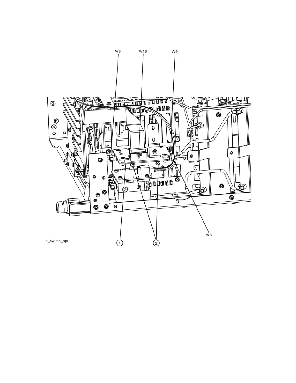
482 Keysight N9010A EXA Service Guide
Assembly Replacement Procedures
RF Area (Option 503, 507, 513, 526)
Figure 15-12 Low Band Switch Removal

Table of Contents

Other manuals for Keysight Technologies X Series

Related product manuals