EasyManua.ls Logo

Lexmark W850 - Finisher Controller Card Assembly Removal

Lexmark W850
327 pages
Print Icon
To Next Page IconTo Next Page
To Next Page IconTo Next Page
To Previous Page IconTo Previous Page
To Previous Page IconTo Previous Page
Loading...
4-118 Finisher Service Manual
4024-XXX
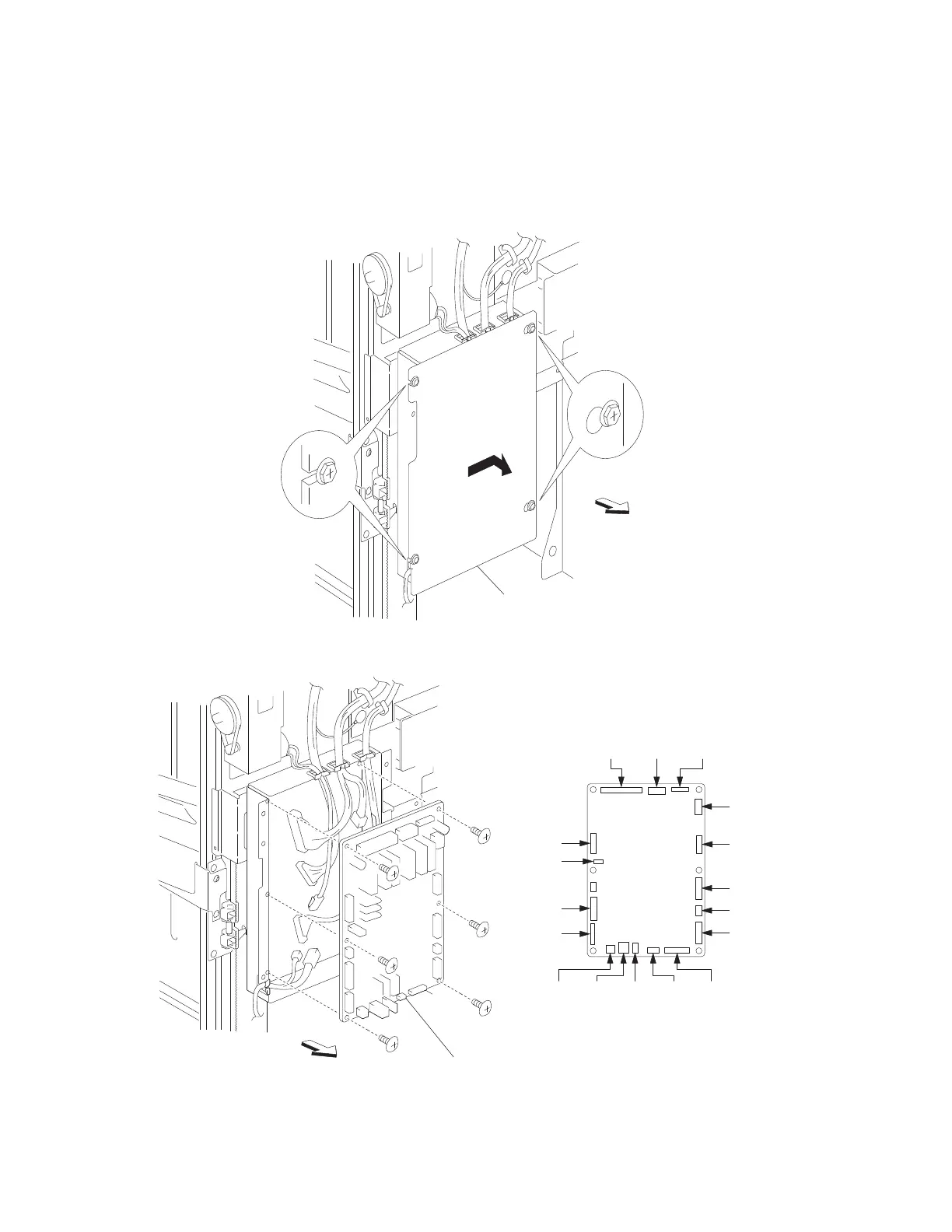
Finisher controller card assembly removal
1. Remove the rear upper cover. See “Rear upper cover removal” on page 4-24.
2. Remove the rear lower cover. See “Rear lower cover removal” on page 4-23.
3. Loosen the four screws securing the plate (A) to the finisher.
4. Move the plate (A) to the right and outward.
5. Remove the plate (A).
6. Disconnect the connectors from the finisher controller card assembly (B).
7. Remove the six screws securing the finisher controller card assembly (B).
8. Remove the finisher controller card assembly (B).
A
Rear
P8304
P8308
P8389
P8306
P8307
P8300
P8301
P8310
P8316
P8314
P8313
P8315
P8317
P8311
P8302
P8305
P8309
B
Rear

Table of Contents

Other manuals for Lexmark W850

Related product manuals