EasyManua.ls Logo

Manitowoc Grove GMK4100L-1 - Page 21

Manitowoc Grove GMK4100L-1
1016 pages
To Next Page IconTo Next Page
To Next Page IconTo Next Page
To Previous Page IconTo Previous Page
To Previous Page IconTo Previous Page
Loading...
Additional pages GMK4100L-1 3 302 710 en 17
16.01.2018
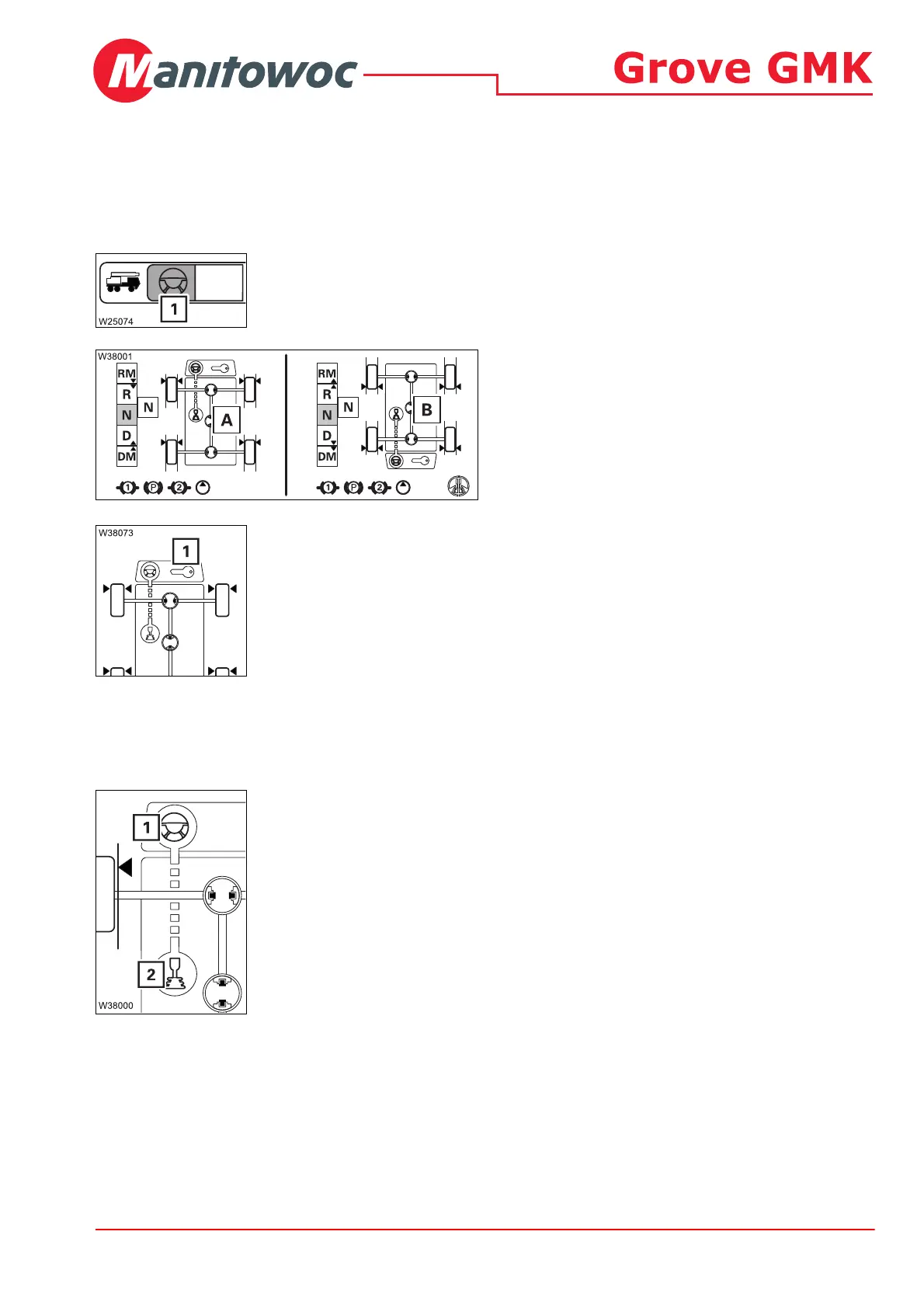
Opening/closing the Driving menu
Opening menu
Select and confirm the symbol (1).
The menu opens automatically the first time you release the parking brake
after switching on the ignition.
The display will show (A) or (B) depending on
the current slewing angle;
Carrier display,
p. - 5.
If the symbol (1) is red, you must turn the ignition key in the driver's cab to
position 1 – the symbol then turns grey.
Selecting the
operating mode
The available operating modes are
crane operation and driving.
Crane operation
Symbol (1) green – symbol (2) white
In this operating mode, you can perform crane operation in exactly the
same way as when the
Driving menu is closed. This operating mode is
selected when the menu is opened.
Driving
Symbol (1) white – symbol (2) green
In this operating mode, the operating elements for driving are activated and
you can choose to drive with the crane's hydraulic system switched on.
When the crane's hydraulic system is switched on, the crane movements
are released with reduced power (no high-speed mode).
Selecting the operating mode
Select and confirm the symbol (2) – the active operating mode is
displayed.
s

Table of Contents

Related product manuals