EasyManua.ls Logo

Muratec F-525 - Spring Clutch

Muratec F-525
383 pages
Print Icon
To Next Page IconTo Next Page
To Next Page IconTo Next Page
To Previous Page IconTo Previous Page
To Previous Page IconTo Previous Page
Loading...
5-45
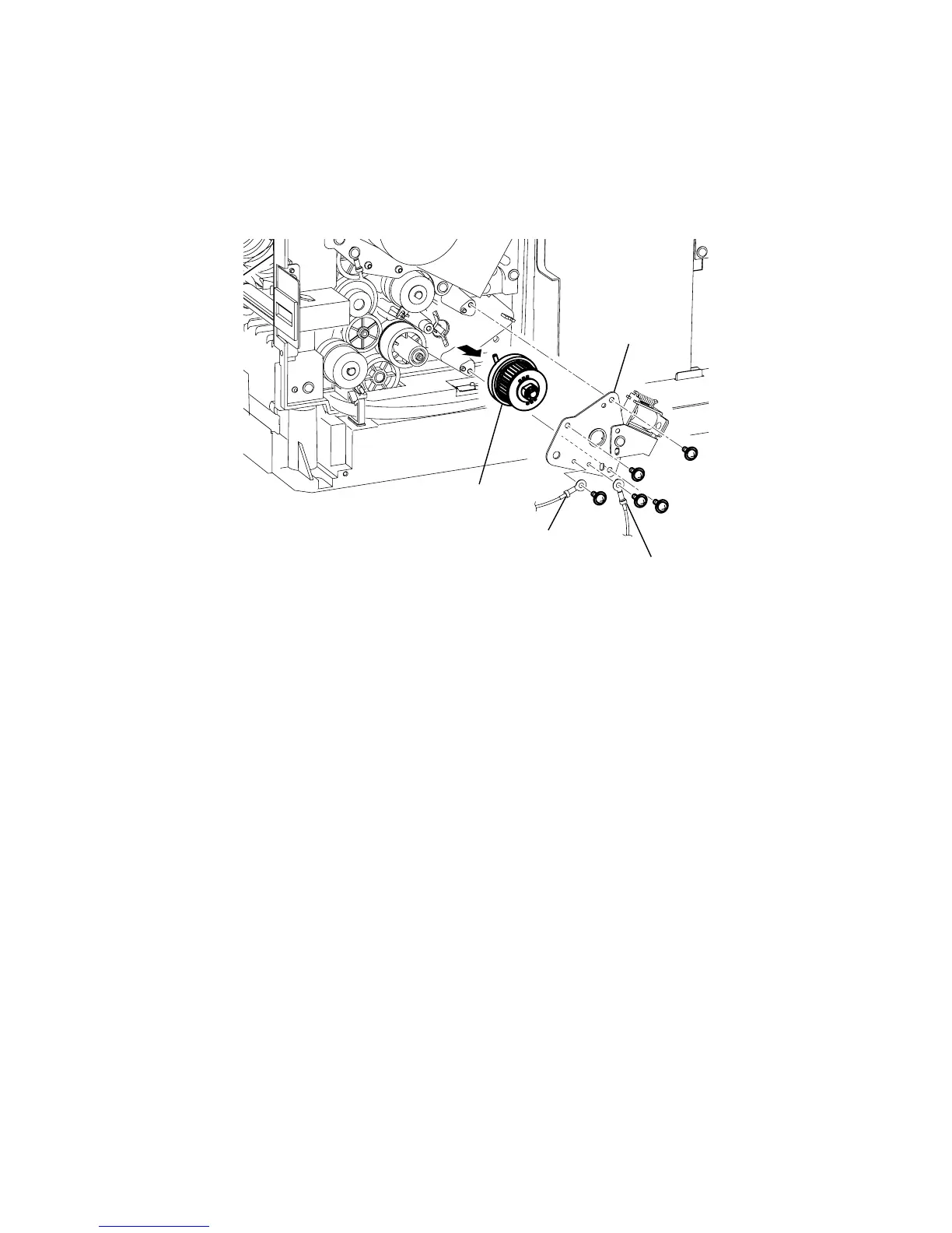
SPRING CLUTCH
1) Remove the Cover option. (See page 5-21)
2) Remove the Cover shield. (See page 5-21)
3) Remove the Cover back. (See page 5-33)
4) Remove two Ground wire mounting screw, and then remove the Ground wire.
5) Remove three Stay pickup mounting screw, and then remove the stay pickup.
6) Remove the SPRING CLUTCH.
Ground wire
Ground wire
Stay pickup
Spring clutch

Table of Contents

Other manuals for Muratec F-525

Related product manuals