EasyManua.ls Logo

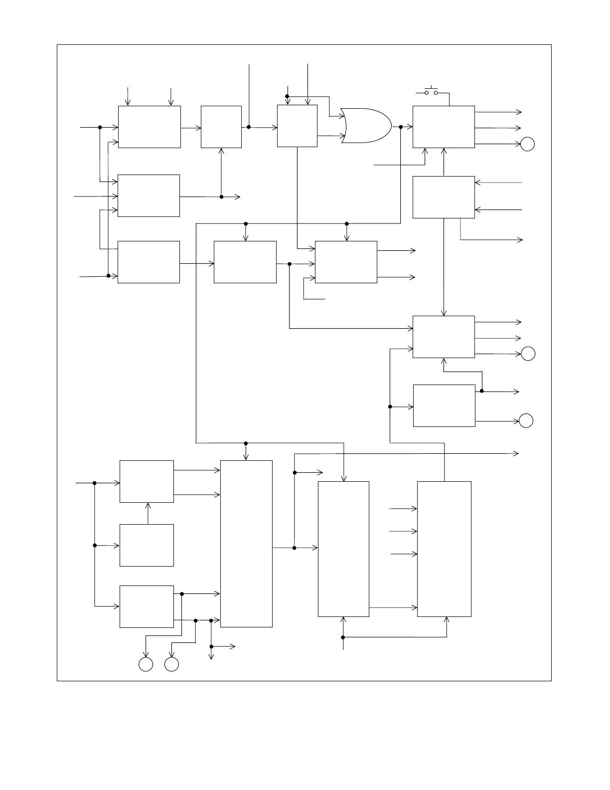
RFL Electronics 9780 - Figure 6-3 Receiver Logic Block Diagram (Figure Continues on Next Page)

Default Icon
482 pages
Print Icon
To Next Page IconTo Next Page
To Next Page IconTo Next Page
To Previous Page IconTo Previous Page
To Previous Page IconTo Previous Page
Loading...
RFL 9780 RFL Electronics Inc.
April 8, 2003 6-27 (973) 334-3100
Figure 6-3 Receiver logic block diagram (figure continues on next page)
LOGIC ALARM LED
TRIP_INPUT
C14
C13
NORMAL
C25
PRE-TRIP
TIMER
BIPOLAR
TIMER
TRIP OUTPUT
CIRCUIT
BIPOLAR
DETECTOR
PRE-GUARD
TIMER
GUARD HOLD
TIMER
POWER
C20
A
22
GUARD
OUTPUT
CIRCUIT
ALARM
OUTPUT
CIRCUIT
ALARM
TIMER
C21
C23
A
20
GUARD LED
LOGIC _ALM
PWR_ FAIL
A17
PWR_FAIL 2
C16
TO FIG 6-5
GBT/TAG
TIMER
NORMAL
INHIBIT
BLOCK
COMPAR-
ATORS
ACTIVE
50 HZ
FILTER
THRESHOLD
DETECTORS
BLOCKING
LOGIC
30 MS
PULSE
STRETCHER
B NOISE
NORMAL
NOISE_
STRETCH
C29
C17
CE _LOW
CE
HIGH
BLOCK INHIBIT
PRE-
TRIP
GUARD_INPUT
BLOCK
STOP_ALARM
HI SIG
LO SIG
C27
TO UNBLOCKING
FUNCTION
B NOISE
GUARD_VAL
C15
BLK_OUT
TROUT_RLY1
TROUT_SS
TRIP
HOLD
TIMER
HAS_
TRIPPED
B25
STOP
TRIP
LOW_
SIGNAL_
TRIP
(from
unblocking
function)
TRIP RESET BUTTON
DS2
TRIP LED
DS1
DS5
DS4 DS5
SIGNAL_
ENVELOPE
POWER
GDOUT_RLY
GDOUT_SS
POWER
TRIPPED
TRIP_HELD
POWER
LOGIC_ALM

Table of Contents