EasyManua.ls Logo

RFL Electronics 9780 - Page 344

Default Icon
482 pages
Print Icon
To Next Page IconTo Next Page
To Next Page IconTo Next Page
To Previous Page IconTo Previous Page
To Previous Page IconTo Previous Page
Loading...
RFL 9780 RFL Electronics Inc.
April 8, 2003 17-74 (973) 334-3100
J9
J15
J11
J13J14
J12
J10
J16
E2
E1
W8
W7
W6
W5
W3
W4
W2
W1
R3
R4
R5
R2
R1
TB1
CR1
J3
E3
J2
O
U
T
7
5
5
0
N/A
N/A
N/A
N/A
90V
90V
1W100
1W150
1W150
1W100
1W100
PO800E
90V
1
1
106588 REV-C
TX/RX RF LINE I/O
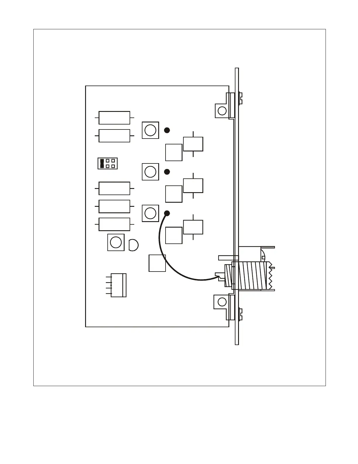
Figure 17-34. Component locator drawing, RX RF Line I/O module (106585-7)

Table of Contents