EasyManua.ls Logo

RFL Electronics 9780 - Page 444

Default Icon
482 pages
Print Icon
To Next Page IconTo Next Page
To Next Page IconTo Next Page
To Previous Page IconTo Previous Page
To Previous Page IconTo Previous Page
Loading...
RFL 9780 RFL Electronics Inc.
April 8, 2003 22-12 (973) 334-3100
C7
A7
C5
A5
C6
A6
1
2
3
A29
A28
6
2
3
7
4
A12
C12
A4
6
2
3
7
4
6
2
3
7
4
129
1
2
3
6
2
3
7
4
138
6
2
3
7
4
1
2
3
1
2
3
A3
6
2
3
7
4
6
2
3
7
4
6
2
3
7
4
147
156
165
174
183
192
201
20 1
19 2
18 3
11 10
17 4
16 5
15 6
14 7
A15
A16
13 8
1
2
3
12 9
1110
129
138
C4
147
156
165
174
183
192
12 9
13 8
14 7
15 6
C3
A14
C14
A13
C13
16 5
17 4
11 10
1110
18 3
19 2
201
20 1
3
1
14
16
13
45
15
2
11
9
10
6
8
7
12
C1
C2
TP1
R49
R12
TP10
C5
TP9
TP8
R7
R6
C4
-
+
U8
C3
R23
R80
-
+
U5
R79
R78
R77
TP6
R76
R22
C12
R21
R75
R74
R73
-
+
U3
R71
R70
R69
R68
J2
R19
R67
R66
R18
R16
TP4
R15
C9
R65
R64
-
+
U2
R14
R52
R63
R61
R43
R42
-
+
U1
R41
R40
R39
TP11
R38
R51
C14
R50
R37
R36
R35
R34
R33
R32
R31
R30
R29
R20
R48
CR7
CR8
R47
R46
TP7
C21
R45
C11
R28
-
+
U7
-
+
U6
R44
R2
CR6
R3
R4
R8
R1
R5
R27
-
+
U4
C7
CR5
R9
C6
R10
TP2
J1
R26
R25
R24
C8
R11
C15
TP3
R13
C20
TP5
TP12
L1
R82
R17
R81
R72
J3
R62
C10
L2
CR2CR1
R53
R54 R55
R56
R57
R58
R60R59
CR4
CR3
C13
U9
C37C36
Q1
Q2
Q3
+15V
-15V
-15V
+15V
-15V
+5V
+15V
+15V
-15V
+15V
-15V
-15V
+15V
+15V
-15V
+15V
-15V
-15V
+15V
-15V
+15V
-15V
+15V
+15V
-15V
+15V
+15V
35V
47uF
35V
47uF
100
CW
100
.1uF
100
215
.1uF
EL2044CN
.1uF
11K
806K
EL2044CN
402K
200K
100K
49.9K
11
390pF
11K
24.9K
12.4K
6.19K
EL2044CN
1.54K
806K
402K
200K
1.13K
100K
49.9K
1.24K
20
CW
41.2K
390pF
24.9K
12.4K
EL2044CN
23.7K
16.2K
6.19K
1.54K
806K
402K
EL2044CN
200K
100K
49.9K
24.9K
11
390pF
16.5K
12.4K
6.19K
3.09K
1.54K
806K
402K
200K
100K
49.9K
100
CW
1.13K
1N4736A1N4736A
1.24K
20
CW
.1uF
41.2K
390pF
24.9K
EL2044CN
EL2044CN
23.7K
21.0K
1N914B
7.15K
2.15K
4.99K
4.99K
681
12.4K
EL2044CN
47pF
1N914B
1K
.1uF
332
6.19K
3.09K
1.54K
.1uF
1K
.47uF
5K
CW
.1uF
56uH
1/2W
2.2
27.4
1/2W
2.2
3.09K
3.09K
1uF
56uH
1N4736A1N4736A
40.2K
40.2K 499
10K
100
6.49K
2K7.5K
1N4738A
1N4001
20V
10uF
GND-V
+V
D1
D2
S1
S2
D4S4
D3S3
NC
DG441
.1uF.1uF
2N3906
2N3906
2N3906
GAIN
LO
HI
OF PCB UNDER EDGE CONNECTOR
JUMPERS ON SOLDER SIDE
NOTE: J4-6 ARE SOLDER BRIDGE
J5
J4
J6
,
,
LSB
LSB
LSB
LSB
MSB
MSB
MSB
MSB
SW1
SW4
SW3
SW2
FREQ ADJ (LO)
PHASE ADJ (LO)
PHASE ADJ (HI)
FREQ ADJ (HI)
(2)
(2)
6.8V
6.8V
EVEN ODD
-THRU--THRU-
GAIN
BRN
RED
BLK
COM
50_dB
40_dB
30_dB
20_dB
10_dB
0_dB
A
TTEN
RX OUT LO
RX OUT HI
RUNCAL
RX IN LO
RX IN HI
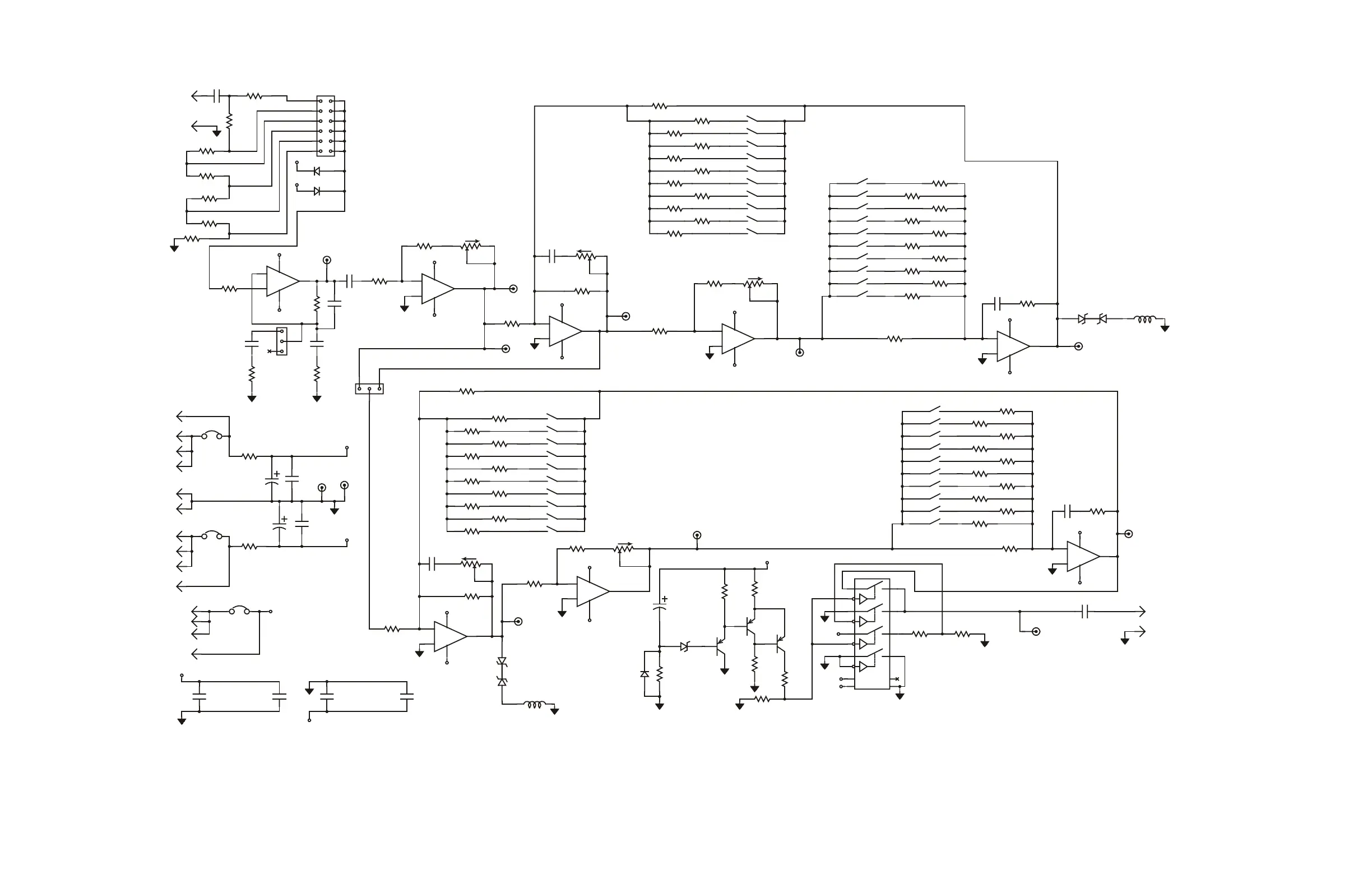
Figure 11-5. Schematic, RFL 9780 RF Interface (Drawing No. D-106504-C)

Table of Contents