EasyManua.ls Logo

RFL Electronics 9780 - Page 465

Default Icon
482 pages
Print Icon
To Next Page IconTo Next Page
To Next Page IconTo Next Page
To Previous Page IconTo Previous Page
To Previous Page IconTo Previous Page
Loading...
RFL 9780 RFL Electronics Inc.
April 8, 2003 22-33 (973) 334-3100
5
4
3
2
1
4
2
1
6
3
6
5
TB2
TB2
TB2
TB2
TB2
K102
C106C105
C104
CR102
L106
L105
L104
L101
L102
L103
CR101
C101
C102 C103
K101
TB2
+5V
NC
NO
NC
NO
C
C
C
N.O.
N.C.
N.O.
N.C.
C
101718
3KV
.01uF
3KV
.01uF
3KV
.01uF
1N4003
10uH
10uH
10uH
10uH
10uH
10uH
1N4003
3KV
.01uF
3KV
.01uF
3KV
.01uF
C
N.O.
N.C.
N.O.
N.C.
C
101718
J1
ALARM
ALARM
TX_FAIL
PS_FAIL
ALARM SECTION
B
BOARD
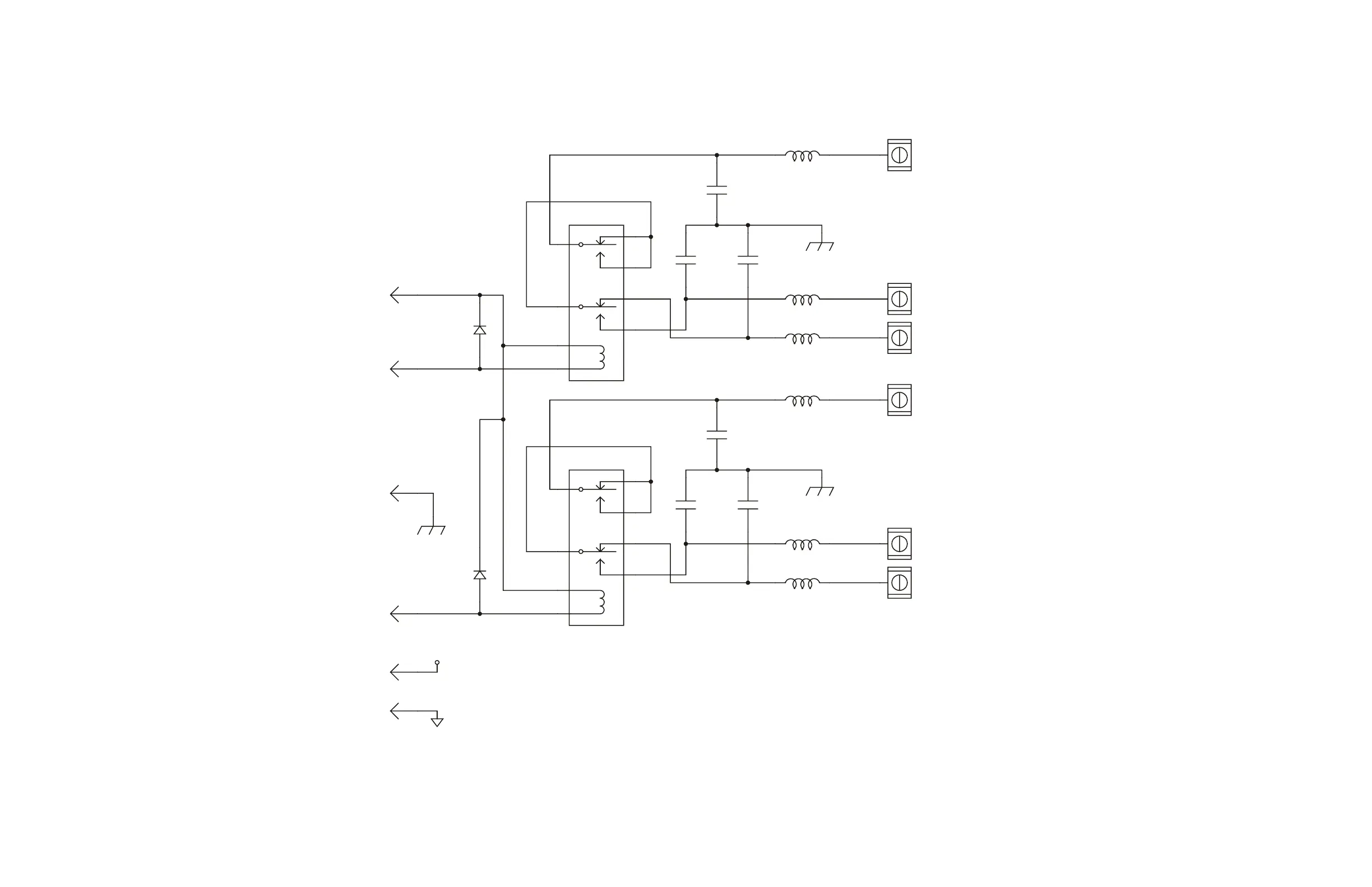
Figure 17-24. Schematic, RFL 9780 Solid State Input Alarm I/O (Drawing No. D-106604-3-A) Sheet 2 of 2

Table of Contents