EasyManua.ls Logo

Yamaha F150B - Page 240

Yamaha F150B
458 pages
Print Icon
To Next Page IconTo Next Page
To Next Page IconTo Next Page
To Previous Page IconTo Previous Page
To Previous Page IconTo Previous Page
Loading...
7-27
Power unit
POWR
No. Part name Q’ty Remarks
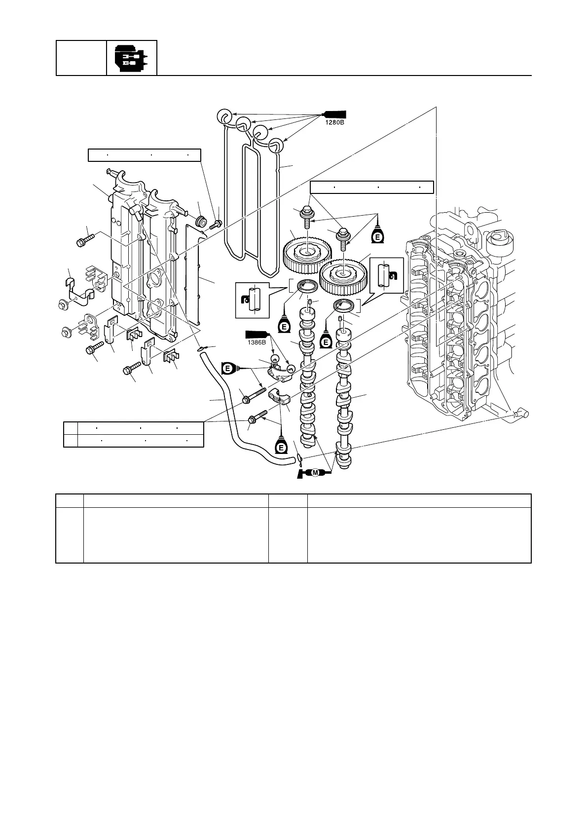
18 Camshaft (EX) 1
19 Camshaft (IN) 1
20 Clamp 2
21 Hose 1
4
1
2
3
5
6
7
7
6
7
8
9
10
10
11
11
12
12
13
13
14
15
16
17
18
19
20
20
21
2 N m (0.2 kgf m, 1.5 ft lb)
a
b
8 N m (0.8 kgf m, 5.9 ft lb)
17 N
m (1.7 kgf m, 12.5 ft lb)
60 N m (6.0 kgf m, 44.3 ft lb)
5

Table of Contents

Related product manuals