EasyManua.ls Logo

Yamaha F150B - Page 55

Yamaha F150B
458 pages
Print Icon
To Next Page IconTo Next Page
To Next Page IconTo Next Page
To Previous Page IconTo Previous Page
To Previous Page IconTo Previous Page
Loading...
2-12
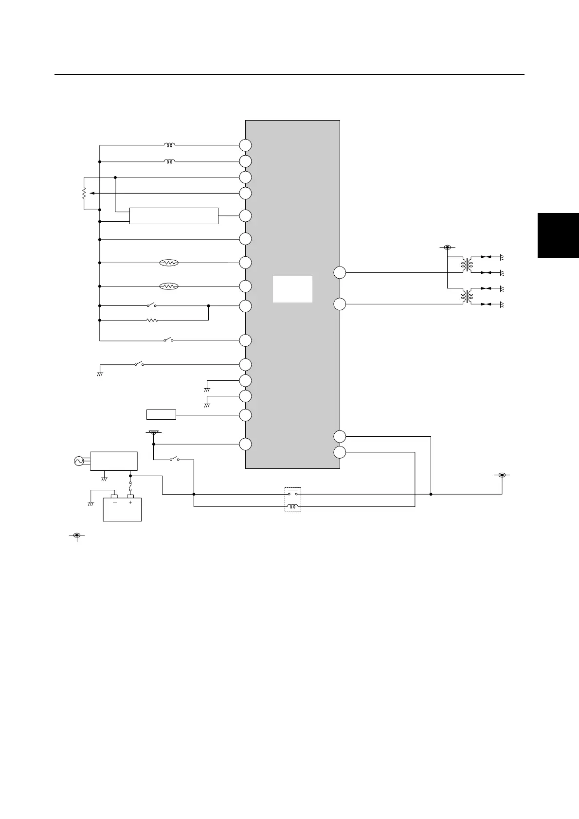
Electronic control system
0
1
2
3
4
5
6
7
8
9
10
A
Circuit diagram
YDIS
14
15
10
34
33
8
35
7
9
4
31
22
44
30
32
42
26
13
16
TPS
Pulser coil #1
Pulser coil #2
Air pressure sensor
Ground
Engine temperature sensor
Air temperature sensor
Shift cut switch
Engine shut-off switch
Neutral switch
Main switch
Battery
Main relay
Same marks are connected by each other.
Ignition coil #1 and #4
Ignition coil #2 and #3
Engine
ECM
Rectifier
Regulator

Table of Contents

Related product manuals