EasyManua.ls Logo

BRP 2995 Johnson - Page 229

BRP 2995 Johnson
264 pages
Print Icon
To Next Page IconTo Next Page
To Next Page IconTo Next Page
To Previous Page IconTo Previous Page
To Previous Page IconTo Previous Page
Loading...
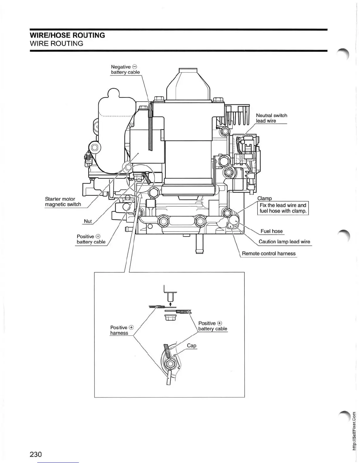
WIRE/HOSE ROUTING
WIRE ROUTING
230
Starter motor
magnetic switch
Nut
Positive
(±)
battery cable
Negative
8
battery cable
Positive
(±)
harness
Positive
(±)
battery cable
Caution lamp lead wire
Remote control harness

Table of Contents

Related product manuals