EasyManua.ls Logo

Cleaver-Brooks ClearFire CFLC-5000 - Model CFV;CFH Clearfire Steam Boiler

Cleaver-Brooks ClearFire CFLC-5000
290 pages
Print Icon
To Next Page IconTo Next Page
To Next Page IconTo Next Page
To Previous Page IconTo Previous Page
To Previous Page IconTo Previous Page
Loading...
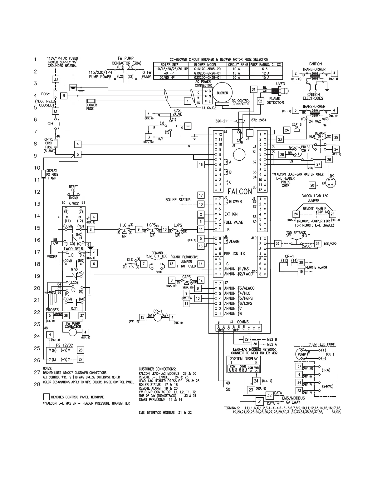
Falcon Lead Lag Appendix E
E-38
Model CFV/CFH ClearFire steam boiler
*‘START PERMISSIVE’ INDICATES CONNECTION MUST BE
CLOSED TO ALLOW BOILER START
*

Table of Contents