EasyManua.ls Logo

Cleaver-Brooks ClearFire CFLC-5000 - Gas Train CFLC 10000;12000 (Standard 20 PPM Nox)

Cleaver-Brooks ClearFire CFLC-5000
290 pages
Print Icon
To Next Page IconTo Next Page
To Next Page IconTo Next Page
To Previous Page IconTo Previous Page
To Previous Page IconTo Previous Page
Loading...
Section 6 — Parts
6-12 Part No. 750-363
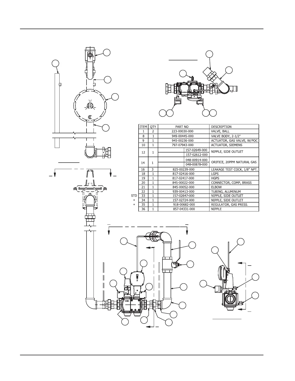
Figure 6-11. Gas train CFLC 10000/12000 (standard 20 PPM NOx)
VIEW A-A
SECTION B-B
SECTION C-C
A
A
B
B
C
C
D
D
* OPTIONAL
24
1
29
11
35
34
*
STD.
*
*
16
14
12
9
10
19
16
16
22
21
22
1816
19 16
1
33
36
*
8
4
4
13
19
18
CFLC 10,000
CFLC 10,000
CFLC 12,000
CFLC 12,000

Table of Contents

Related product manuals