EasyManua.ls Logo

Cleaver-Brooks ClearFire CFLC-5000 - Gas Train CFLC 4000;5000 Propane

Cleaver-Brooks ClearFire CFLC-5000
290 pages
Print Icon
To Next Page IconTo Next Page
To Next Page IconTo Next Page
To Previous Page IconTo Previous Page
To Previous Page IconTo Previous Page
Loading...
Section 6 — Parts
6-14 Part No. 750-363
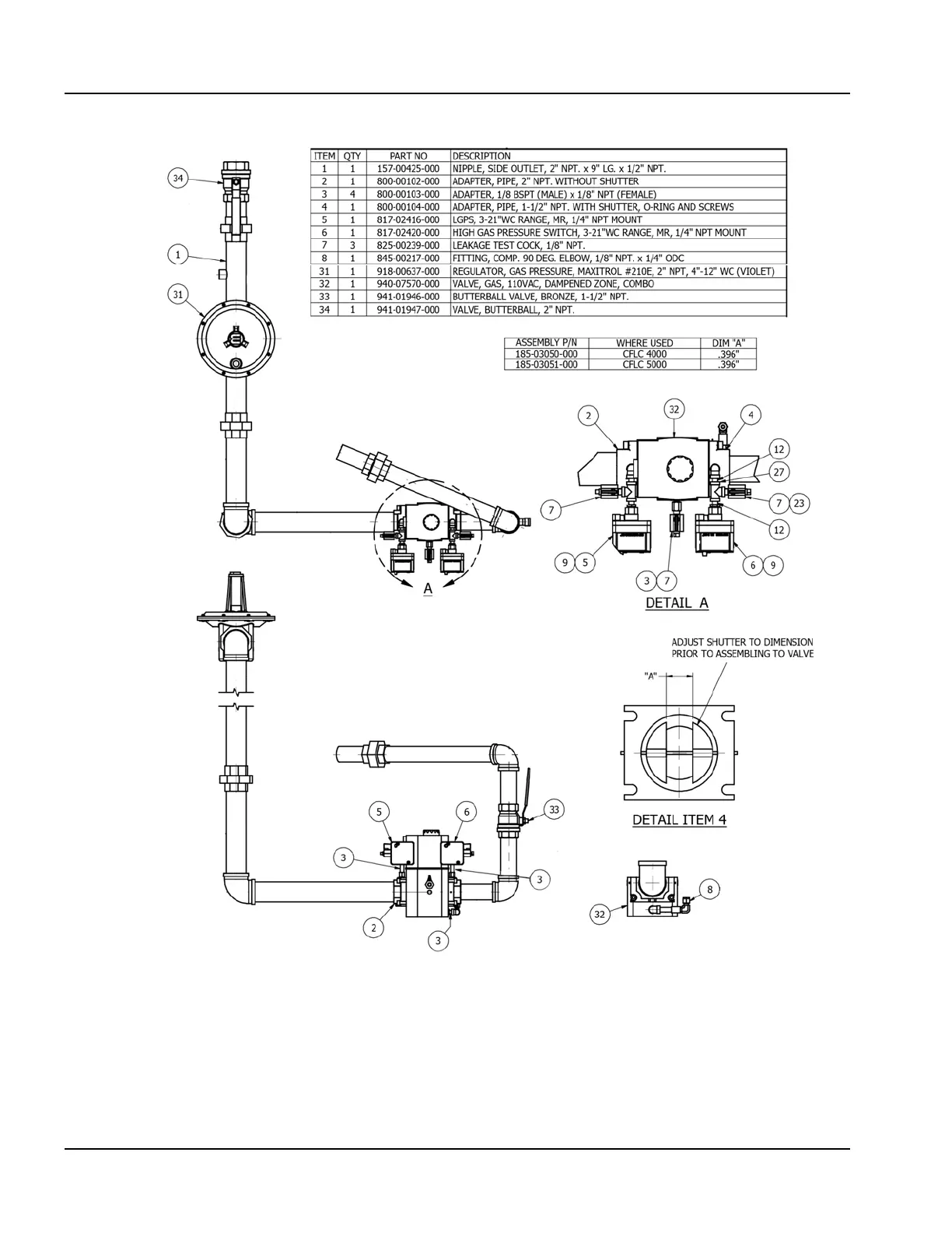
Figure 6-13. Gas Train CFLC 4000/5000 Propane

Table of Contents

Related product manuals