EasyManua.ls Logo

JLG 4394RT - 4.13 Auxiliary Pump Motor

JLG 4394RT
240 pages
Print Icon
To Next Page IconTo Next Page
To Next Page IconTo Next Page
To Previous Page IconTo Previous Page
To Previous Page IconTo Previous Page
Loading...
SECTION 4 - HYDRAULICS
4-32 – JLG Lift – 3121642
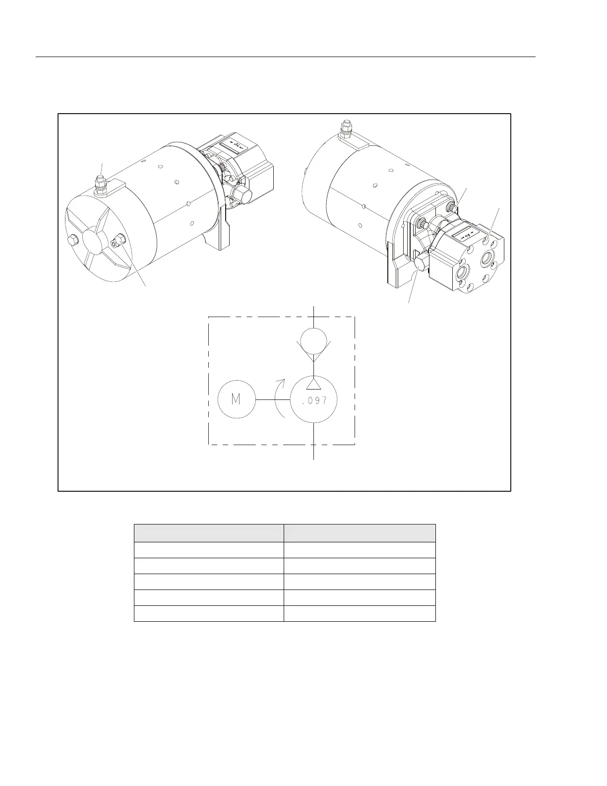
4.13 AUXILIARY PUMP MOTOR
Displacement: 0.097 CU. IN/REV (1.59 CC/REV) Delivers 1.2 min. GPM (4.5 min Liters/Min) at 1500 psi
(103.4 bar) and 165 Amps maximum at 12VDC
1
2
3
4
5
Hydraulic Schematic
Item # Torque
1. UNF-2A Terminal 84 in-lbs (9.5 Nm)
2. 2x 96 - 120 in-lbs (11 - 14 Nm)
3. Check Valve Cap 144 - 180 in-lbs (16 - 20 Nm)
4. 4x 180 - 216 in-lbs (20 - 24 Nm)
5. 8x 114 - 150 in-lbs (13 - 17 Nm)
Figure 4-27. Auxiliary Pump Motor

Table of Contents

Other manuals for JLG 4394RT

Related product manuals