EasyManua.ls Logo

JLG 4394RT - Hydraulic Schematic

JLG 4394RT
240 pages
Print Icon
To Next Page IconTo Next Page
To Next Page IconTo Next Page
To Previous Page IconTo Previous Page
To Previous Page IconTo Previous Page
Loading...
SECTION 6 - GENERAL ELECTRICAL INFORMATION & SCHEMATICS
6-28 – JLG Lift – 3121642
T
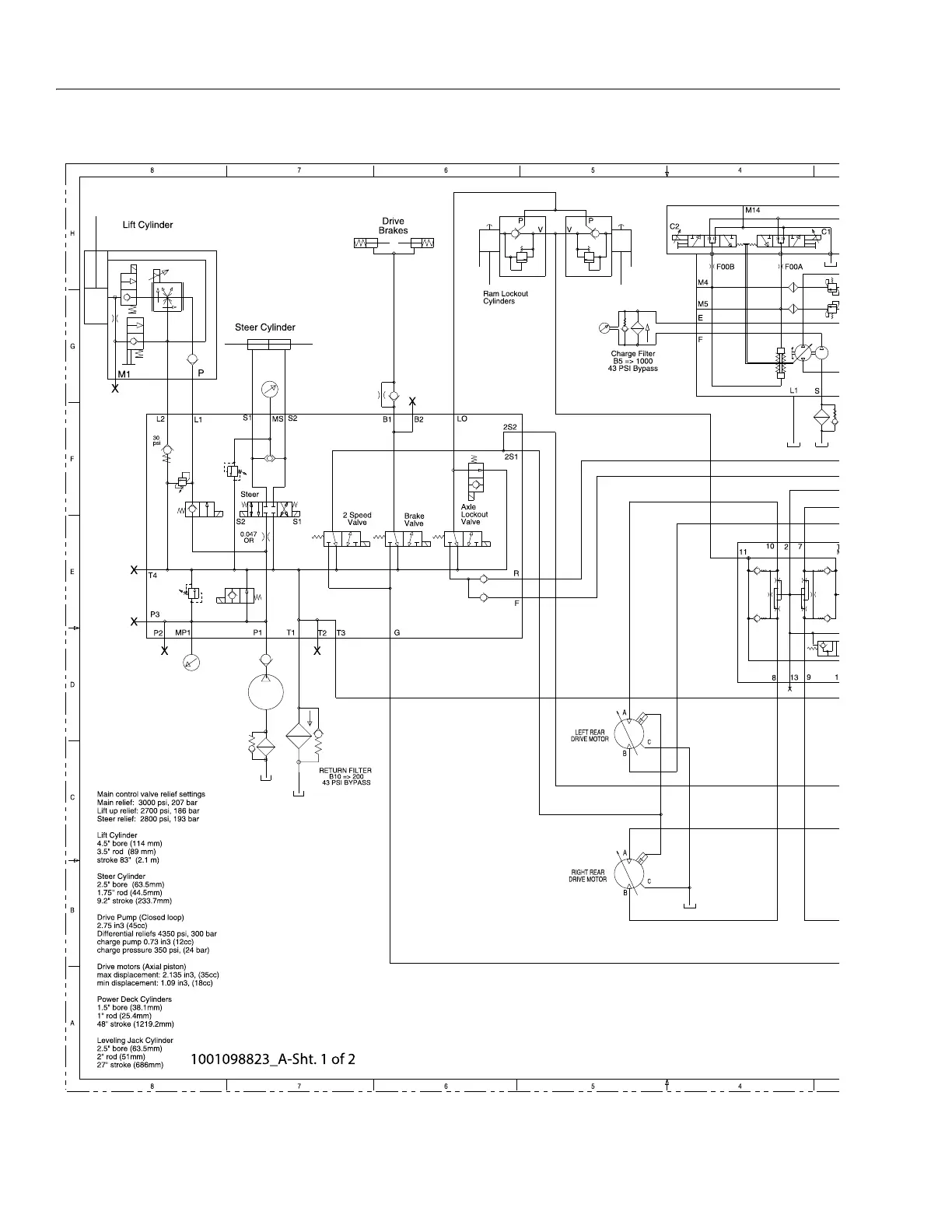
Figure 6-21. Hydraulic Schematic

Table of Contents

Other manuals for JLG 4394RT

Related product manuals