EasyManua.ls Logo

JLG 4394RT - Electrical Components Installation

JLG 4394RT
240 pages
Print Icon
To Next Page IconTo Next Page
To Next Page IconTo Next Page
To Previous Page IconTo Previous Page
To Previous Page IconTo Previous Page
Loading...
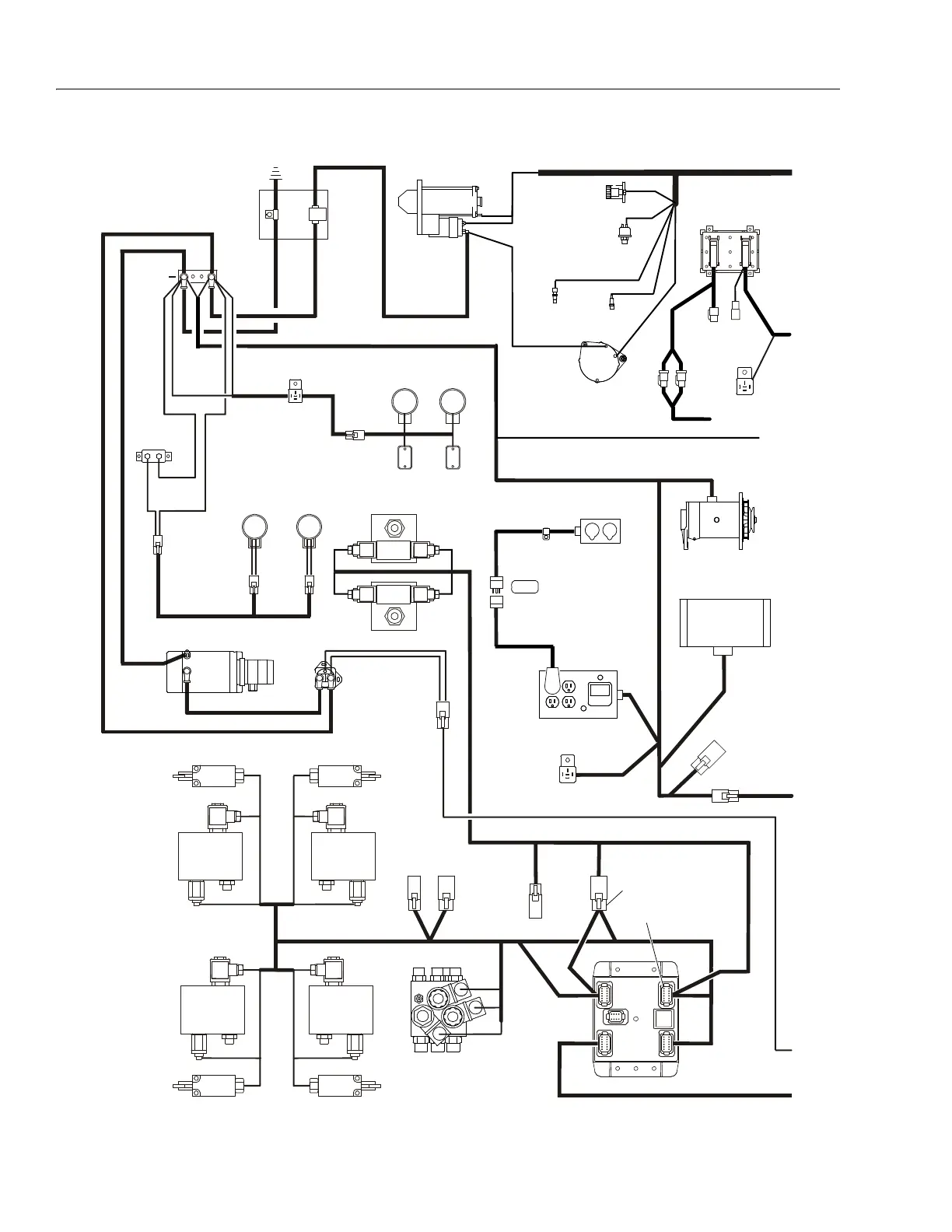
SECTION 6 - GENERAL ELECTRICAL INFORMATION & SCHEMATICS
6-12 – JLG Lift – 3121642
LIGHTS
RELAY
CIRCUIT
BREAKER
AUX
POWER
RELAY
POWER
DECK
VALVES
LEVELING
JACK
VALVE
LEVELING
JACK
PORT
BLOCKS
LEVELING
JACK
PORT
BLOCKS
OPTI ONS
MODULE
STARTER
BATTERY
ALTERNATOR
(DIESEL
MACHINES)
OIL
PRESSURE
SWITCH
OIL
TEMP
SWITCH
GLOW
PLUG
THROTTLE
ACTUATOR
J2
J1
J5
J3
J4
GENERATOR
RELAY
AC POWER
AT PLATFORM
GENERATOR
CONTROL BOX
GENERATOR
VOLTAGE
REGULATOR
GENERATOR
FUSE
BLOCK
(W/O POWER DECK)
(W/ POWER DECK)
(W/O JACK OPTION)
AUXILIARY PUMP
TAI LLIGHTS
HEADLIGHTS
PLATFORM
WO RKL IG HT S
+
ENGINE
CONTROL
(DEUTZ)
ENGI NE
HARNESS
(DEUTZ)
IGNITION
RELAY
(W/ POWER DECK)
Figure 6-18. Electrical Components Installation

Table of Contents

Other manuals for JLG 4394RT

Related product manuals