EasyManua.ls Logo

JLG 4394RT - Page 215

JLG 4394RT
240 pages
Print Icon
To Next Page IconTo Next Page
To Next Page IconTo Next Page
To Previous Page IconTo Previous Page
To Previous Page IconTo Previous Page
Loading...
SECTION 6 - GENERAL ELECTRICAL INFORMATION & SCHEMATICS
3121642 – JLG Lift – 6-13
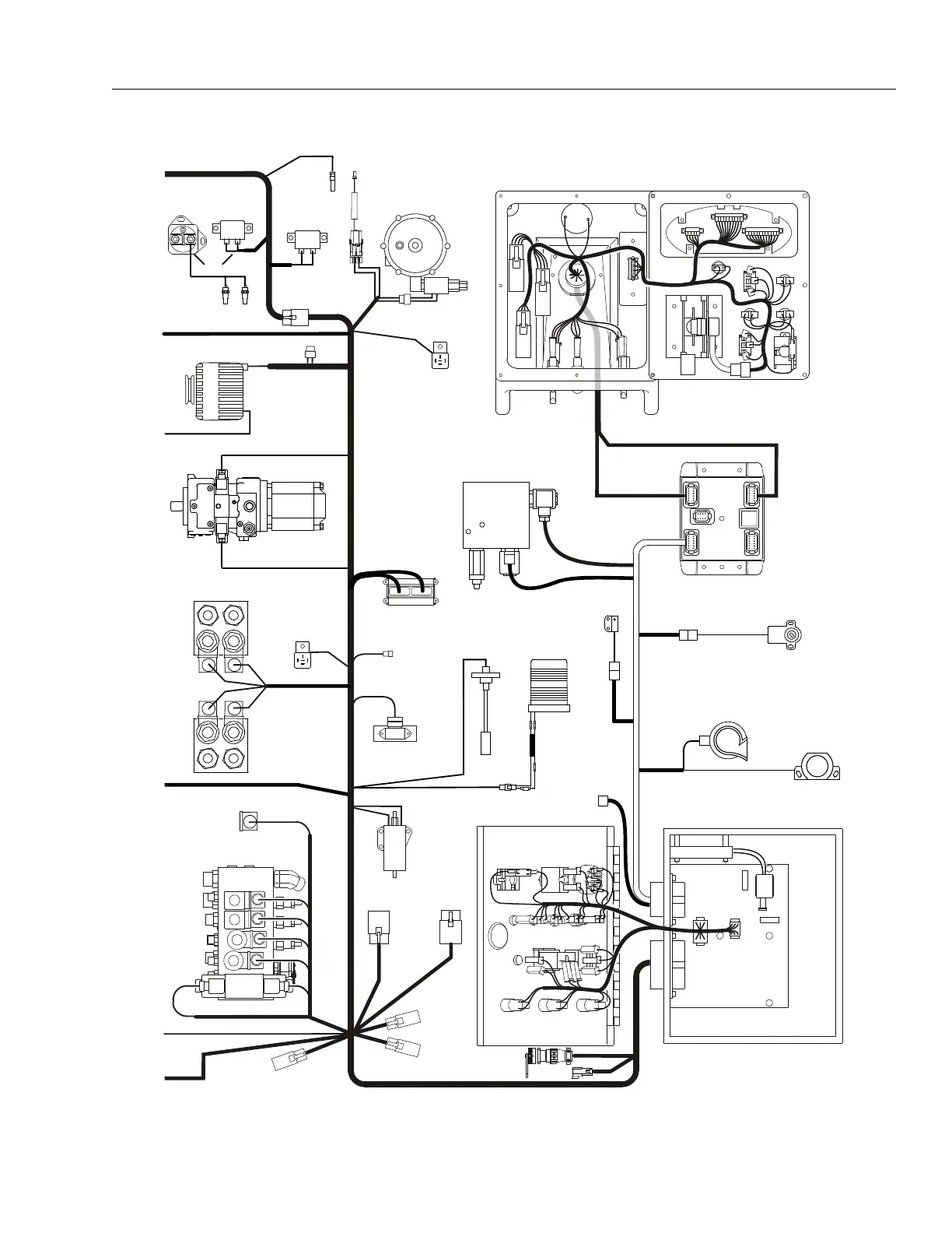
Figure 6-18., Electrical Components Installation
BEACON
LI GHT
IGNITION
RELAY
MAIN VALVE
GROUND
SPLICE
GROUND
SPLI CE
IGNITION SPLICE (GAS)
GROUND SPLICE (DIESEL)
IGNITION SPLICE
(DIESEL)
VALVE
SPLI CE
TO OPTION
VALVE
PORT
BLOCKS
(OSCILLATING
AXLE
CYLINDERS)
FUEL
PUMP
(GAS
MACHINES)
GROUND
CONTROL
BOX
PLATFORM
CONTROL
BOX
HORN
ALARM
ELEVATI ON
SWITCH
PLATFORM
MODULE
LIFT CYLINDER
PORT BLOCK
LP LOCK & ASSIST
(GAS MACHINES)
PROP
VALVE
LI FT
DOWN
VALVE
FUEL
LEVEL
SENSOR
ALTERNATOR
(GAS
MACHINES)
HYDRAULIC
PUMPS
J2
J1
J5
J3
J4
ROTARY
SENSOR
DEUTZ
DI ANOSTI CS
PLUG
BOSCH FUEL
REGULATOR
(GM)
ENGI NE
CONTROL
(GM)
FUEL
REGULATOR
(GM HARNESS)
IGNITION
POWER
RELAY
(GM MACHINES)
GLOW
PLUG
RELAY
ENGINE
SPEED
SENSOR
START
RELAY
OR
GLOW
PLUGS

Table of Contents

Other manuals for JLG 4394RT

Related product manuals