EasyManua.ls Logo

Komatsu 930E-2 - Relief Valve

Komatsu 930E-2
739 pages
Print Icon
To Next Page IconTo Next Page
To Next Page IconTo Next Page
To Previous Page IconTo Previous Page
To Previous Page IconTo Previous Page
Loading...
Disassembly
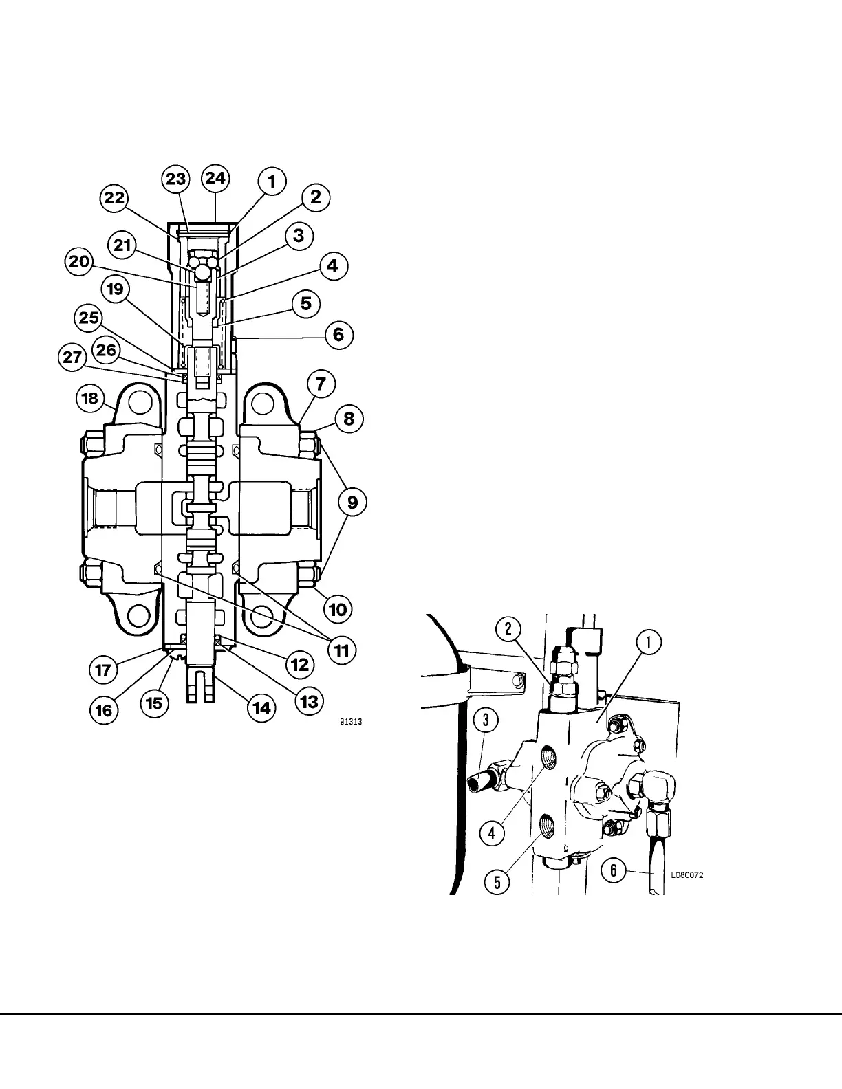
1. Thoroughly clean the exterior of the valve. Match
mark components to assure proper reassembly.
2. Remove machine screw (15, Figure 8-14) seal
plate (16), wiper (13) and O-ring (12).
3. Remove snap ring (1), capscrews (6), cap (24),
spacer (23), and detent sleeve (22). Detent Balls
(2) and (21) will fall free when the cap and detent
sleeve are removed. Separate cap (24), spacer
(23) and detent sleeve (22), as this will be nec-
essary for reassembly.
4. Carefully slide the spool (14) out of the spool
housing (17). Remove seal retainer (25), wiper
(26) and O-ring (27) from spool (14).
5. Insert a rod in the cross holes of the detent pin
(3) and unscrew from spool (14). Slight pressure
should be exerted against the detent pin as it
disengages and spring tension is released.
6. Remove spring seats (19), spring (4) and spacer
(5).
7. Remove relief valve (2, Figure 8-15) from the
spool housing (1).
8. Match mark the inlet and outlet housings in
relationship to the spool housing to insure correct
location during reassembly.
9. Remove nuts (8 &10, Figure 8-14) and remove
tie rods (9). Separate the valve housings. Re-
move O-ring (11). Remove the poppet check and
spring located on the outlet housing side of the
spool housing, from the spool housing.
FIGURE 8-14. HOIST PILOT VALVE
1. Snap Ring
2. Ball (4)
3. Detent Pin
4. Spring
5. Spacer
6. Capscrew
7. Outlet Housing
8. Nut
9. Tie Rod
10. Nut
11. O-Ring
12. O-Ring
13. Wiper
14. Spool
15. Machine Screw
16. Seal Plate
17. Spool Housing
18. Inlet Housing
19. Spring Seat
20. Spring
21. Ball (1)
22. Detent Sleeve
23. Spacer
24. Cap
25. Seal Retainer
26. Wiper
27. O-Ring
FIGURE 8-15. RELIEF VALVE
1. Spool Housing
2. Relief Valve
3. Supply Port
4. To Hoist Valve (Rod End)
5. To Hoist Valve (Base
End)
6. Return to Tank
L8-10 Hoist Circuit Component Repair L08024

Table of Contents

Related product manuals