EasyManua.ls Logo

Komatsu 930E-2 - Lube Pump Assembly

Komatsu 930E-2
739 pages
Print Icon
To Next Page IconTo Next Page
To Next Page IconTo Next Page
To Previous Page IconTo Previous Page
To Previous Page IconTo Previous Page
Loading...
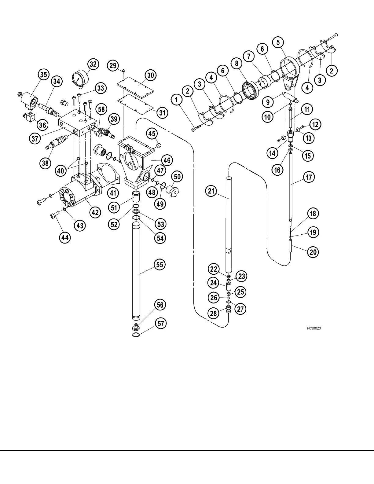
FIGURE 3-9. LUBE PUMP ASSEMBLY
1. Screw
2. Outer Weight
3. Inner Weight
4. Retaining Ring
5. Crankrod
6. Retaining Ring
7. Eccentric Crank
8. Ball Bearing
9. Outlet Pin
10. O-Ring
11. Plunger Tube
12. Screw
13. Wrist Pin Bushing
14. Wrist Pin Anchor
15. Backup Washer
16. Cup Seal
17. Plunger Rod
18. Spring
19. Steel Ball
20. Plunger
21. Reciprocating Tube
22. Cup Seal
23. O-Ring
24. Cylinder
25. Ball Cage
26. Steel Ball
27. O-Ring
28. Check Seat
29. Screw
30. Housing Cover
31. Cover Gasket
32. Gauge
33. Screw
34. Valve Cartridge
35. Solenoid Valve
36. Connector
37. manifold
38. Press. Reducing Valve
39. Flow Control Valve
40.O-Ring
41. Gasket
42. Hydraulic Motor
43. Washer
44. Screw
45. Pipe Plug
46. Pump Housing
47. Backup Ring
48. O-Ring
49. O-Ring
50. Nut
51. Bronze Bearing
52. O-Ring
53. Backup Washer
54. O-Ring
55. Housing Tube
56. Shovel Plug
57. Retaining Ring
58. Orifice Fitting
P03018 4/00 Automatic Lubrication System P3- 11

Table of Contents

Related product manuals