EasyManua.ls Logo

Komatsu 930E-2 - Power down Relief Pressure Test; Power down Relief Valve

Komatsu 930E-2
739 pages
Print Icon
To Next Page IconTo Next Page
To Next Page IconTo Next Page
To Previous Page IconTo Previous Page
To Previous Page IconTo Previous Page
Loading...
Power Down Relief Pressure Test
NOTE: The hoist system “power down” relief valve is
located on the hoist pilot valve, located in the hydraulic
components cabinet, behind the cab.
1. If not installed previously, Install a 0-3500 psi
(0-25,000 kPa) pressure gauge at power down
circuit test port TPD” on the overcenter mani-
fold.
2. Start engine and run at low idle. Allow the accu-
mulators to fill and the steering pump to unload.
3. With the body resting on the frame and engine at
low idle, place hoist lever in the power down
position.
Pressure at the test port “TPD” on the over-
center manifold should be 1500 ±75 psi
(10,340 ±517 kPa).
* Record on Data Sheet
Adjustment
1. If power down relief pressure is not within speci-
fications, adjust as follows:
a. Remove cap from power down relief valve (2,
Figure 10-6).
1.) To increase power down relief pressure, turn
adjusting screw in (clockwise).
2.) To decrease power down relief pressure,
turn adjusting screw out (counter-clock-
wise).
2. Recheck power down relief pressure (step 3)
after valve adjustment. Install cap on relief valve.
3. Shut down engine, allow accumulators to bleed
down. Remove gauges, hoses etc.
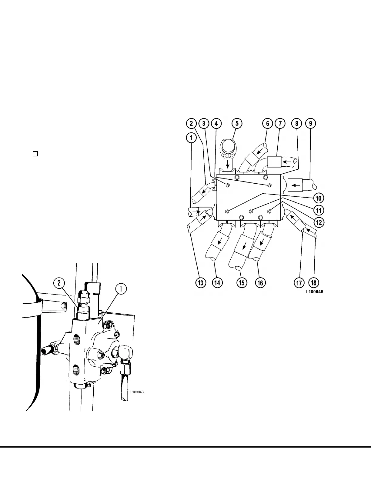
FIGURE 10-6. POWER DOWN RELIEF VALVE
1. Spool Housing 2. Relief Valve
FIGURE 10-7. BRAKE/HOIST RETURN OIL
MANIFOLD
1. Rear Brake Return
2. Rear Brake Supply
3. Rear Brake Supply Press.
4. Front Brake Supply
Press.
5. Rear Brake Cooling Oil
(From Hoist Valve)
6. Return From Hoist Vlv.
7. Return From Hoist Vlv.
8. Brake/Hoist Return Oil
Manifold
10. Rear Brake Return
Press.
11. Hoist Return Press.
12. Front Brake Return
Press
13. Rear Brake Return
14. Rear Brake Return
15. Hoist Return to Tank
16. Front Brake Return
17. Front Brake Return
18. Front Brake Return
L10-8 Hydraulic Check-out Procedure L10012

Table of Contents

Related product manuals