EasyManua.ls Logo

LSIS XDL-L7SA002X - Page 225

LSIS XDL-L7SA002X
275 pages
Print Icon
To Next Page IconTo Next Page
To Next Page IconTo Next Page
To Previous Page IconTo Previous Page
To Previous Page IconTo Previous Page
Loading...
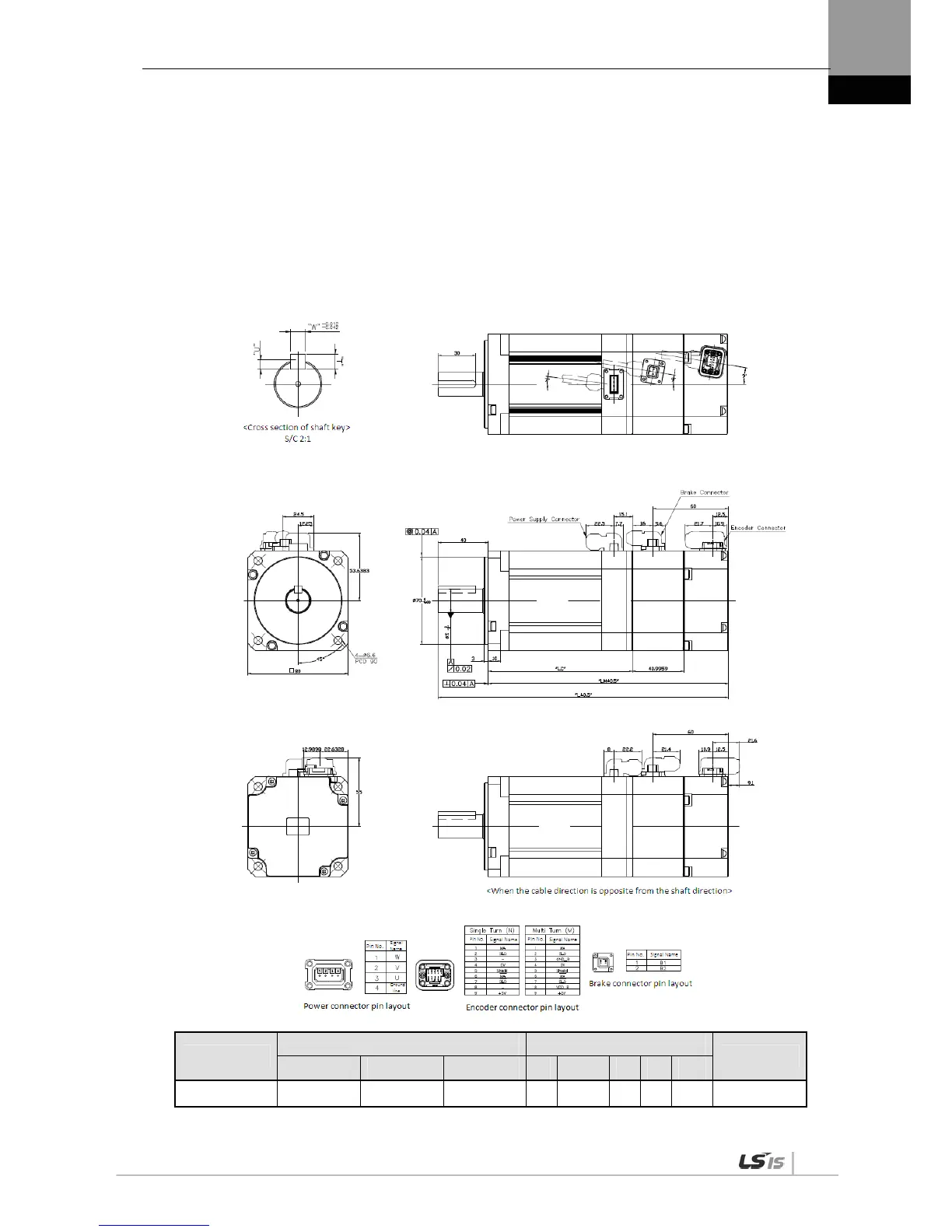
7. Product Specifications
7-41
NOTE 2) The sizes in parentheses apply when attached to the brakes.
FC Series | XML-FC04A,FC03D, XML-FC06A,FC05D,
XML-FC08A,FC06D, XML-FC10A,FC07D
(The drawing in the case of Rear Type cable, it is available on request)
Name
External Dimensions
Shaft, Key Dimensions
Weight(kg)
L LM LC S
H T
W
U
FC04A,FC03D 136.5(177) 96.5(137) 61(60.5) 14 -0.018 5 5 3 1.56(2.6)

Table of Contents

Related product manuals