EasyManua.ls Logo

LSIS XDL-L7SA002X - Page 51

LSIS XDL-L7SA002X
275 pages
Print Icon
To Next Page IconTo Next Page
To Next Page IconTo Next Page
To Previous Page IconTo Previous Page
To Previous Page IconTo Previous Page
Loading...
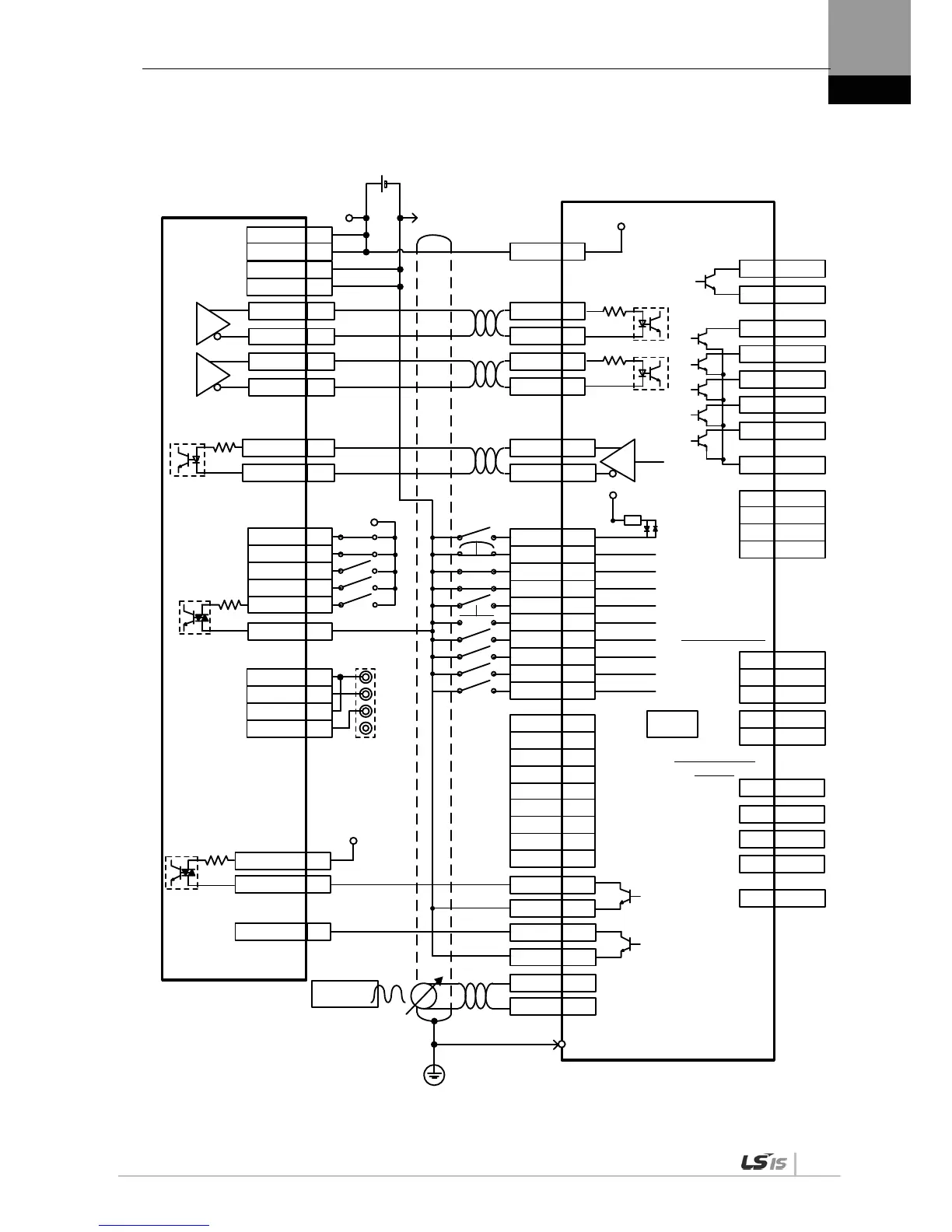
3. Wiring Method
3-13
4. XGF-PD1/2/3/4H (Line Driver)
+24V
I/O Power
L7S
(Servo Drive)
XGF-PD1/2/3/4H
(Line Driver)
GND24
+24V IN
F.G
(CN1 Case)
F.G
Encoder Z
phase output
Twisted
Pair
DR/INP COM 6A
DR 8A
-10V ~ +10V
Analog
torque limit
ALARM+38
ALARM-39
(DO1)
(DIA)
Analog output
AO32
/AO33
BO30
/BO31
SG36
Encoder pulse
output
CWLIM 19
EMG 18
STOP 48
(DI9)
(DI8)
CCWLIM 20
(DI7)
DIR 46
(DI6)
ALMRST 17
(DI5)
EGEAR1 **
(DI4)
EGEAR2 **
(DI3)
P_CLR **
(DI2)
SVON 47
(DI1)
PCON **
GAIN2 **
T_LMT **
MODE **
ABS_RQ **
ZCLAMP **
SPD3 21
SPD2 22
SPD1 23
RDY+ 40
RDY- 41
(DO2)
TRQCOM 1
GND 8
COM 9A
OV+ 14A
OV- 13A
DOG 12A
EMG/STOP 11A
VTP 10A
FP- 17A
FP+ 18A
RP- 15A
RP+ 16A
3.3kΩ
Digital input
HOME +5V 3A
HOME COM 2A
DC 24V
/ZO 5
ZO 4
PR+ 11
PF+ 9
+24V IN 50
+24V IN
CN1
PF- 10
PR- 12
Twisted
Pair
Manual pulse generator
MPG A+ 20A
MPG A- 20B
MPG B+ 19A
MPG B- 19B
5V
A
B
0V
INPOS 45
GND24 24
(DO5)
INP 7A
ZSPD43
BRAKE44
ALO016
ALO115
ALO214
VLMT**
TLMT**
(DO3)
(DO4)
WARN**
INSPD**
GND2425
P COM 1B
24V 1C
24V 1A
P COM 1D
MONIT128
MONIT229
GND37
+12VA34
-12VA35
This is an example for the standard of 1 axis. To use 2, 3, 4 axis, refer to the pin diagram of positioning
module.
+24V
+24V

Table of Contents

Related product manuals