EasyManua.ls Logo

RFL Electronics 9780 - Page 449

Default Icon
482 pages
Print Icon
To Next Page IconTo Next Page
To Next Page IconTo Next Page
To Previous Page IconTo Previous Page
To Previous Page IconTo Previous Page
Loading...
RFL 9780 RFL Electronics Inc.
April 8, 2003 22-17 (973) 334-3100
A6
10
11
C13
1
2
3
8
4
1
2
3
1
6
7
3
12
1
2
3
8
9
10
4
11
A2
C1
A1
C2
2
1
3
1
2
3
1
2
3
4
11
14
13
12
4
11
8
9
10
C3
2
4
5
3
12
A7
C5
A5
C7
11
12
13
1
2
3
6
4
5
14
13
12
4
11
A13
3
1
2
C6
C4
A15
11
12
13
6
5
A14
4
3
8
9
C15
A3
12
13
7
6
5
8
4
7
6
5
4
11
7
6
5
4
11
1
2
3
4
11
8
9
10
4
11
8
9
10
3
1
2
13
10
11
3
12
14
8
9
3
12
6
4
5
2
1
1
2
3
A4
C32
C10
A9
C9
C8
C11
1
2
3
8
4
1
2
3
DISCRIMINATOR
BIAS
LOWPASS FILTER
SLICER
SCALE
SLICE
GUARD
DISC LIMITER
INPUT LIMITER
+
-
-
+
-
+
-
+
-
+
-
+
-
+
+
-
-
+
-
+
-
+
-
+
-
+
-
+
-
+
R1
C1
R2
C2
R105
C72
R101
R100
U6
TP1
C31
R61
R60
C21
C20
R17
R18
R59
U4
R19
R16
R107
C54
R5
C52
R40
U1
C29
R13
R58
C28
R55
R54
R15
R14
U5
R39
J1
TP7
TP8
R4
R3
C13
C17
C15
CR4
CR3
CR8
TP10
C11
C10
C8
U9
U8
C9C6
C59
C4
C5
U5
U5
CR1
C55
C60
U2
C18
R41
R42
R57
CR2
C30
C3
C23A
U1
C24A
R53
U2
R49
TP5
R47
R48
R45
R43
R20
R44
R46
U2
U3
C56
C12
U2
R21
C51
C53
R98
R30
R6
R8
R31
R28
R7
R12
R10
R9
R22
U7
R106
TP2
TP14
C57
TP6
DS1
R99
U6
R24
U6
C19
DS2
R97
U6
R23
U6
R27
TP4
U4
U5
R25
C71
TP3
R26
U3
U3
U3
U7
R103R56
R50R52 R51
R37
R35R32
R33
R38
U7
R104
R34
U1
R11
C58
C27
C24
C22
C23
C26
C25
U1
U7
U6
R36
C7
R102 CR7
C69
C70
TP13
U14
TP9
CR10
CR9
TP12
TP15
R29
+5V +5V
+5V
+5V
+5V
+5V
+5V
+5V
+5V
+5V
+5V
+5V
+5V
+5V
-V
-V
-V
-V
-V
-V
-V
-V
-V
-V
-V
-V
-V
4KHZ_IN
DISC_OUT
DISC_OUT
+V
+V
+V
+V
+V
+V
+V
+V
+V
+V
+V
+V
+V
+V
+V
+2.5VA
+2.5VA
+2.5VA
+2.5VA
+2.5VA
+5VA
+5VA
+5VA
-5VA
-5VA
-5VA
2.7
35V
47uF
2.7
35V
47uF
100
35V
3.3uF
1K
1K
74HC04
6800pF
5.9K
10K
.47uF
.47uF
10K
10K
10K
LM293
1M
10K
14K
.1uF
10K
CW
.1uF
10K
TS374N
33pF
10K
1K
CW
33pF
5.9K
5.9K
10K
1M
TL084IN
10K
1K
1K
.1uF
35V
47uF
35V
47uF
1N914B
1N5718
1N914B
.1uF
.1uF
.1uF
79L05ACZ
78L05ACZ
.1uF.01uF
.1uF
.01uF
.01uF
TL084IN
TL084IN
SB160
.1uF
.1uF
74HC08
.27uF
SEE_CHART
SEE_CHART
5.36K
SB160
6800pF
35V
47uF
100pF
TS374N
100pF
5.9K
74HC08
10K
CW
5.11K
3.32K
9.31K
4.99k
10K
10K
1M
74HC08
TL084IN
.1uF
.1uF
74HC08
10K
.1uF
.1uF
100
SEE_CHART
5.11K
9.31K
1.05K
100
1M
10K
4.99k
10K
10K
74HC86
14K
.1uF
SH_DOWN
RED
100
74HC04
1K
74HC04
6800pF
SH_UP
GRN
10K
74HC04
10K
74HC04
100
LM293
TL084IN
1K
.1uF
100
TL084IN
TL084IN
TL084IN
74HC86
20K20K
20K20K 20K
20K
4.99K4.99K
10K
20K
74HC86
20K
20K
TS374N
10K
.1uF
.018uF
1200pF
.068uF
1200pF
.068uF
.018uF
TS374N
74HC86
74HC04
10K
CW
.1uF
10K 1N914B
.1uF
.1uF
TL082
1N914B
1N914B
5K
CW
14.3K
14.3K
16.9K
R30
YEL
-15V
COM
BLK
ORN
+15V
+5V
RED
VIO
+12V
+12V
106430-3 & -13
106430-2 & -12
106430-1 & -11
(1N6263)
(1N6263)
15K
30.1K
75K
137K
267K
681K
1000HZ
500HZ
200HZ
R42R41BWASSY. NO.
A
B
C
B
A
D
C
D
A
B
D
D
C
A
B
D
C
D
C
E
F
A
C
A
B
B
A
B
A
A32,
A11,
A10,
A8,
BLOCK IN
GUARD OUT
TRIP OUT
D_COM
A_COM
+5V
-15V
+15V
TO SHEET 2
TRIP
GUARD
EYE OUT
(BRN)
LPF/DISC
SCALE
0 DEG
REF
CF
90 DEG
B
A
INVERT
NORMAL
4KHZ IN
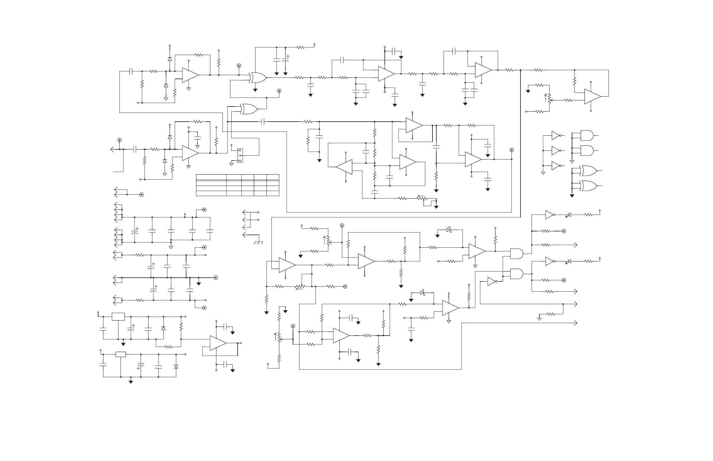
Figure 14-5. Schematic, RFL 9780 Limiter/Slicer (Drawing No. D-106434-F) Sheet 1 of 2

Table of Contents