EasyManua.ls Logo

RFL Electronics 9780 - Page 455

Default Icon
482 pages
Print Icon
To Next Page IconTo Next Page
To Next Page IconTo Next Page
To Previous Page IconTo Previous Page
To Previous Page IconTo Previous Page
Loading...
RFL 9780 RFL Electronics Inc.
April 8, 2003 22-23 (973) 334-3100
R17
CR3
TB1
TB1
P1
C6
T1
P1
R21
R22
P1
P1
P1
C13
C15
C12
C14
R4
R3
U3U3
C17
U3 U3
R20
L4
L3
L2
L1
P1
P1
P1
P1
U2
U1
C4
C3
C2
C1
TB1
TB1
TB1
TB1
R1
R2
C8
C11
C10
U6
CR1
C9
CR2
U5
R19
R18
P1
P1
C16
C7C5
P1
P1
P1
P1
P1
TB1
CR5
P1
P1
P1
P1
P1
P1
P1
CR4
P1
P1
P1
P1
K1
P1
+5V
+5V
+5V
+5V
+5V
+5V
+5V
+5V
+5V
+12V
+12V
K1-C
K1-NO
K1-NC
CHKBKLEV(RED)
TRIP_IN_1
CHKBK(FULL)
CLK
DATA
+5VISOL
+5VISOL
+5VISOL
+5V
+5V
RLY_RET
RLY_RET
CHASSIS
CHASSIS
TRIP_IN_2
BLOCKOUT_2_SS BLOCKOUT_2_SS
BLOCKOUT_1_SS BLOCKOUT_1_SS
TIP
TRIP_SENT_RLY
1/2W
162
1N4003
3KV
.01uF
TGM-310-NA
1.21K
1.21K
.1uFISOL
.1uFISOL
.1uF
.1uF
10K
10K
74ABT125
74ABT125
.1uF
74ABT125
74ABT125
10
10uH
10uH
10uH
10uH
ISOL
VCCIN
VIN
GNDINGNDOUT
VOUT
VCCOUT
74OL6010
ISOL
VCCIN
VIN
GNDINGNDOUT
VOUT
VCCOUT
74OL6010
3KV
.01uF
3KV
.01uF
3KV
.01uF
3KV
.01uF
1.21K
ISOL
1.21K
ISOL
ISOL
.1uF
.1uF
.47uF
78L05
1N4148
.47uF
1N4148
SD
FS
GND1 GND2
D2
D1
VCCNC
MAX845ESA
N/A
N/A
25V
100uF
3KV
.01uF
3KV
.01uF
P6KE6.8CA
P6KE6.8CA
101461
1
2
A23
1
2
34
5
6
A32
6
1
C32
C1
5
5
A24
8
10
96
4
5
1
3
1
211
13
12
2
C3
A21
A1
A26
3
1
2
34
5
6
4
6
1
2
34
5
6
3
4
5
6
1
2
3
4
3
27
8
1
65
C31
4
C30
C4
C9
A9
A4
A3
7
A25
C17
C18
A13
A14
A2
C2
3
2
C10
A17
C29
A10
12
11
14
12
C28
TRIP SEN
TRIP IN 2
TRIP IN 1
N/A
N/A
J9
J8
RLY_OUT3
A
BOARD
FUNCTION KEY INPUTS
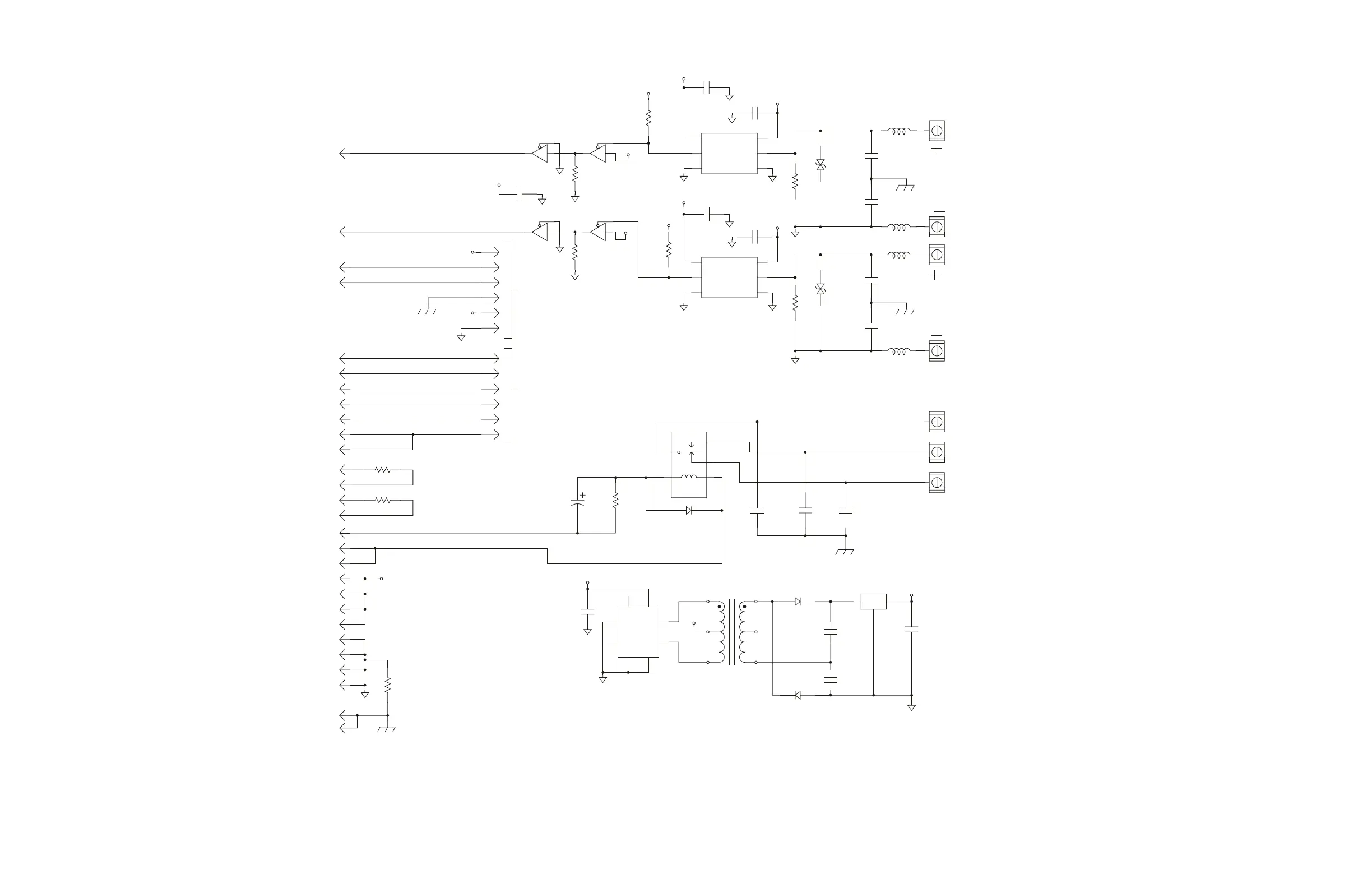
Figure 17-6. Schematic, RFL 9780 Solid-State Logic Level Input I/O (Drawing No. D-106439-5-B)

Table of Contents