EasyManua.ls Logo

RFL Electronics 9780 - Page 456

Default Icon
482 pages
Print Icon
To Next Page IconTo Next Page
To Next Page IconTo Next Page
To Previous Page IconTo Previous Page
To Previous Page IconTo Previous Page
Loading...
RFL 9780 RFL Electronics Inc.
April 8, 2003 22-24 (973) 334-3100
TB1 4
Q104
3KV
.01uF
C106
3KV
.01uF
C105
CR104
12uH
L103
TB1 1
Q106
TGM-310-NA
T102
1
2
34
5
6
ISOL_B
+5V
.1uF
C132
G
D
S
Q102
G
D
S
Q101
432
R106
.47uF
C131
78L05
U109
1
2
3
ISOL A
C111
.1uF
1N4148
CR105
C114
.1uF
C113
.47uF
78L05
U105
1
2
3
1N4148
CR101
C112
.47uF
1N4148
CR102
SD
FS
GND1 GND2
D2
D1
VCCNC
MAX845ESA
U104
4
3
27
8
1
65
ISOL_B
ISOL_A
Q103
ISOL_B
Q105
ISOL_A
.1uF
C135
+5V
+5V
.01uF
C133
ISOL_A
3KV
.01uF
C104
3KV
.01uF
C103
ISOL_B
NC4
NC1
6N139
U102
2
3
8
7
6
5
1
4
.01uF
C134
562
R111
.47uF
C130
1N4148
CR106
TGM-310-NA
T101
1
2
34
5
6
562
R112
C32
CR103
NC4
NC1
6N139
U103
2
3
8
7
6
5
1
4
562
R110
+5V
+5V
12uH
L101
TB1 3
TB1 2
+5V
R103
12uH
L102
12uH
L104
+5V
R104
+5V
C102
+5V
C101
+5V
432
R102
+5V
A32
A
B
CLR
CEXT
REXT
Q
Q
74HC123A
U101
5
12
9
10
11
6
7
432
R101
562
R108
A
B
CLR
CEXT
REXT
Q
Q
74HC123A
U101
13
4
1
2
3
14
15
2K
R109
+5V
C1
A1
432
R105
C2
A2
C3
A3
C4
A4
C9
A25
A9
JP102
2K
R107
JP101
.1uF
C136
ISOL_A
.1uF
C137
ISOL_B
78L05
U110
1
2
3
A24
.1uF
C139
+5VISOL_A
+5VISOL_A
+5VISOL_A
TRIP_OUT_SS
+5VISOL_B
+5VISOL_B
+5VISOL_B
GUARD_OUT_SS
+12V
+12V
TRIP OUT
GUARD OU
P1
SS OUTPUTS
1A
-
-
+
+
16
N/A
*
N/A
*
*
N/A
N/A
*
10K
10K
.0047uF
.0047uF
N/A
N/A
250V
48/125V
*
1.5KE350CA
1.5KE180CA
IRFP460
IRFP254
106440-4
106440-3
CR103 & 104
Q101 & 102
COMPONENT VALUES
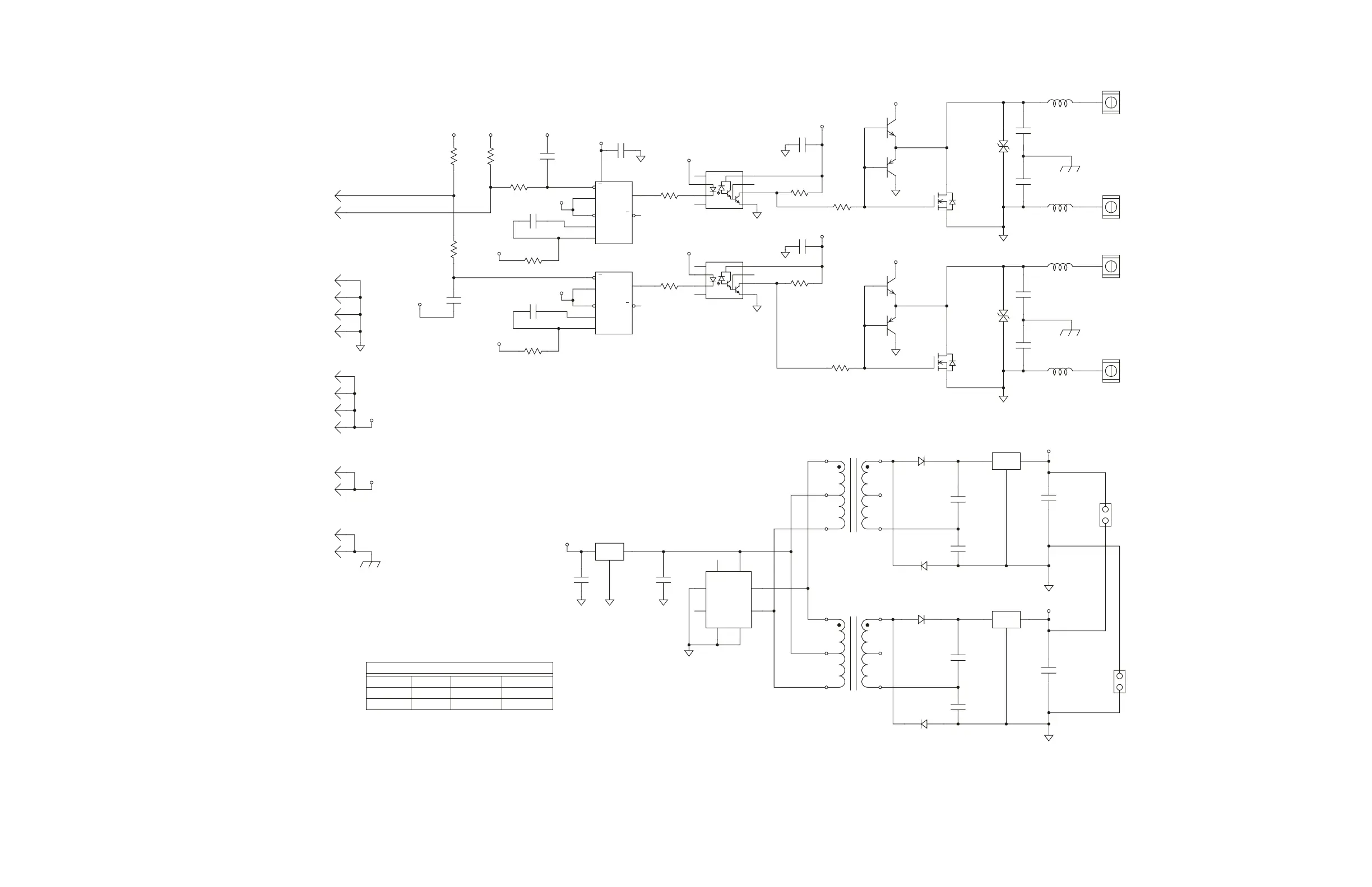
Figure 17-9. Schematic, RFL 9780 Solid-State Output I/O (Drawing No. D-106444-3-D)

Table of Contents