EasyManua.ls Logo

RFL Electronics 9780 - Page 462

Default Icon
482 pages
Print Icon
To Next Page IconTo Next Page
To Next Page IconTo Next Page
To Previous Page IconTo Previous Page
To Previous Page IconTo Previous Page
Loading...
RFL 9780 RFL Electronics Inc.
April 8, 2003 22-30 (973) 334-3100
A10
A9
C9
C28
12
11
14
12
2
1
3
5
4
A30
A29
A28
A32
12
11
14
12
C10
C32
C29
C30
6
J2
P
1
R3
P
1
P
1
J1
P
1
K2
C1 C3
C6C4
R2
R1
CR4
CR3
TB1
TB1
TB1
TB1
TB1
P
1
P
1
P
1
C2
C5
P
1
C8
Q1
K1
P
1
J3
P
1
P
1
P
1
C7
TB1
K1-NC
K1-C
CHASSIS
K2-C
K2-NC
K1-NO
+12V
TRIPOUT_RLY1
K2-NO
GUARD_RLY
RELAY_GND
SPARE
1K
101461
3KV
.01uF
3KV
.01uF
3KV
.01uF
3KV
.01uF
1/2W
162
1/2W
162
1N4003
1N4003
3KV
.01uF
3KV
.01uF
25V
100uF
2N2222
101461
25V
100uF
INPUTS HAVE NOT YET BEEN DEFINED.
THIS I/O IS OPTIONAL FOR THE 9785 AND THE DRIVE
NOTE:
TRIP_RLY
GUARD
_
RLY
A
NC
BA
NORMAL POSITIONS
AJ3
J2
(TRIP V)
J1
BA
AB
1
2
3
3pjump.prt
CONNPIN
ec64pcio.prt
rc07.prt
CONNPIN
ec64pcio.prt
CONNPIN
ec64pcio.prt
1
2
3
3pjump.prt
CONNPIN
ec64pcio.prt
RY610006.PRT
48166
z5u3kv-p.prt
z5u3kv-p.prt
z5u3kv-p.prtz5u3kv-p.prt
RN60.PRT RN60.PRT
do41.prt
do41.prt
tb6ra375.prt
tb6ra375.prt
tb6ra375.prt
tb6ra375.prt
AGND
tb6ra375.prt
CONNPIN
ec64pcio.prt
CONNPIN
ec64pcio.prt
CONNPIN
ec64pcio.prt
z5u3kv-p.prt
z5u3kv-p.prt
CONNPIN
ec64pcio.prt
CASE-B.PRT
2N2222.PRT
RY610006.PRT
48166
CONNPIN
ec64pcio.prt
1
2
3
3pjump.prt
CONNPIN
ec64pcio.prt
CONNPIN
ec64pcio.prt
CONNPIN
ec64pcio.prt
CASE-B.PRT
tb6ra375.prt
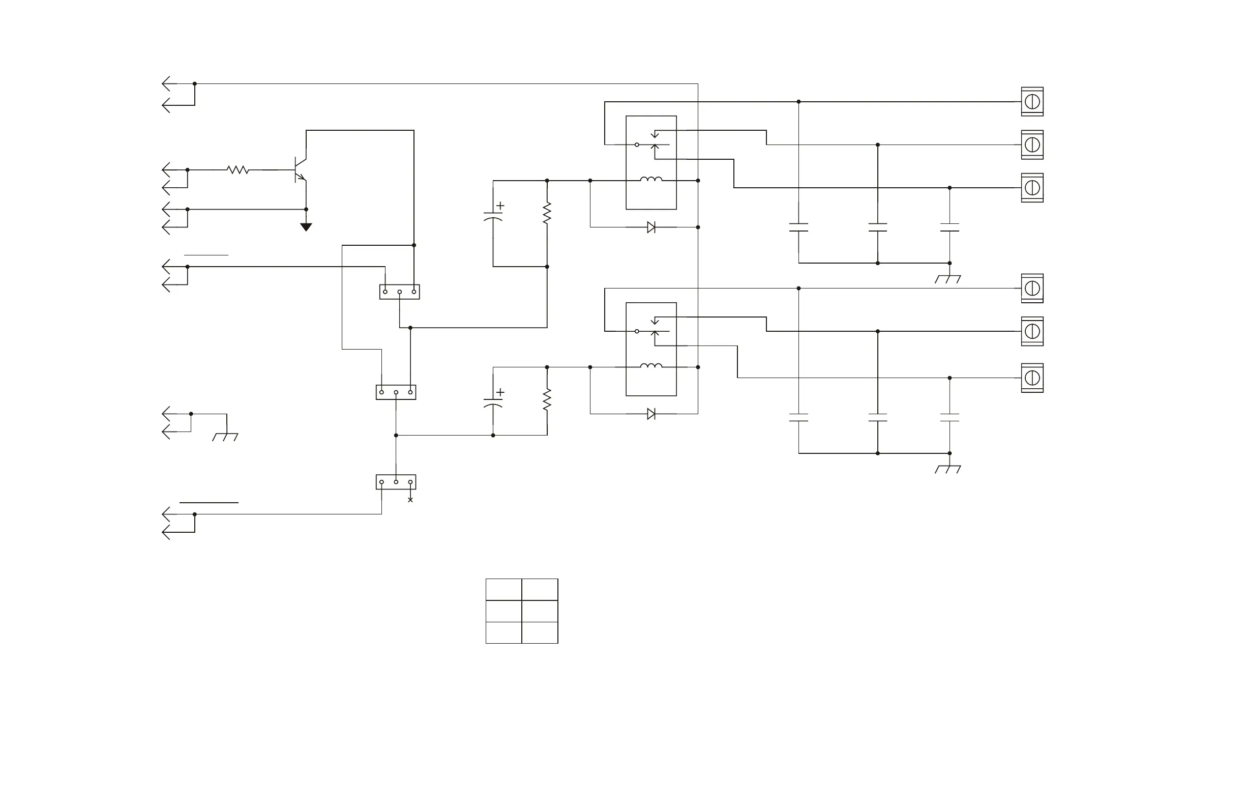
Figure 17-18. Schematic, RFL 9780 Dual Relay I/O (Drawing No. C-106474-A)

Table of Contents