EasyManua.ls Logo

RFL Electronics 9780 - Page 468

Default Icon
482 pages
Print Icon
To Next Page IconTo Next Page
To Next Page IconTo Next Page
To Previous Page IconTo Previous Page
To Previous Page IconTo Previous Page
Loading...
RFL 9780 RFL Electronics Inc.
April 8, 2003 22-36 (973) 334-3100
5
4
3
2
1
1
2
3
4
6
7
8
1
2
3
4
5
6
7
84
3
2
1
R3
R2
CR1
J16
R1
J3
J19
J18
J21
E4
J23
E1
E2
J17
R5
E5
R4
E3
J10
J12
J14J13
J11
J15
J9
J22
E6
J20
J8
W13
W12
W11
W10
W9
W8
W7
W6
W5
W4
W3
W2
W1
J7
J6
J5
J2
J1
TB2
TB1
RX
CONN.
EXT
TX
REC
NTWK
LINE
SEND
1W
100
1W
100
PO800EA
1W
100
90V
BBS
90V
BBS
90V
BBS
1W
150
90V
BBS
1W
150
90V
BBS
90V
BBS
50
OUT
75
HYBRID
HYBRID
HYBRID
HYBRID
HYBRID
HYBRID
TO
TO
TO
TO
TO
TO
"106593" BOARD
"106588" B
O
ARD
PANEL
MOUNTED
106585-8 ONLY
WIRE INSTALLED ON
BRD 106588,BRD 106593
CR1,E1-3,J1-3,J5-8,J10,J16,J18,J20,J22,J23,R1-5,TB1-1/8,TB2-1/8-8:
ASSY #
CR1,E3,J2,J3,J7,J16,R1-5,TB1-7/8,BRD 106588
CR1,E1-3,J1-3,J5-7,J10,J16,J18,J20,J22,J23,R1-5,TB1-1/8,
TB2-1/8,BRD 106588,BRD 106593
E1,J5,J10,BRD 106588
CR1,E1-3,J2,J3,J5-7,J10,J12,J14,J16,R1-5,TB1-7/8,BRD 106588
CR1,E1-3,J3,J5-7,J10,J12,J14,J16,R1-5,BRD 106588
E2,J2,J6,J12,TB1-7/8,BRD 106588
E2,J6,J12,BRD 106588
-7:
-6:
-5:
-4:
-3:
-2:
106585-1:
COMPONENTS USED
CONNECTIONS
WIRE
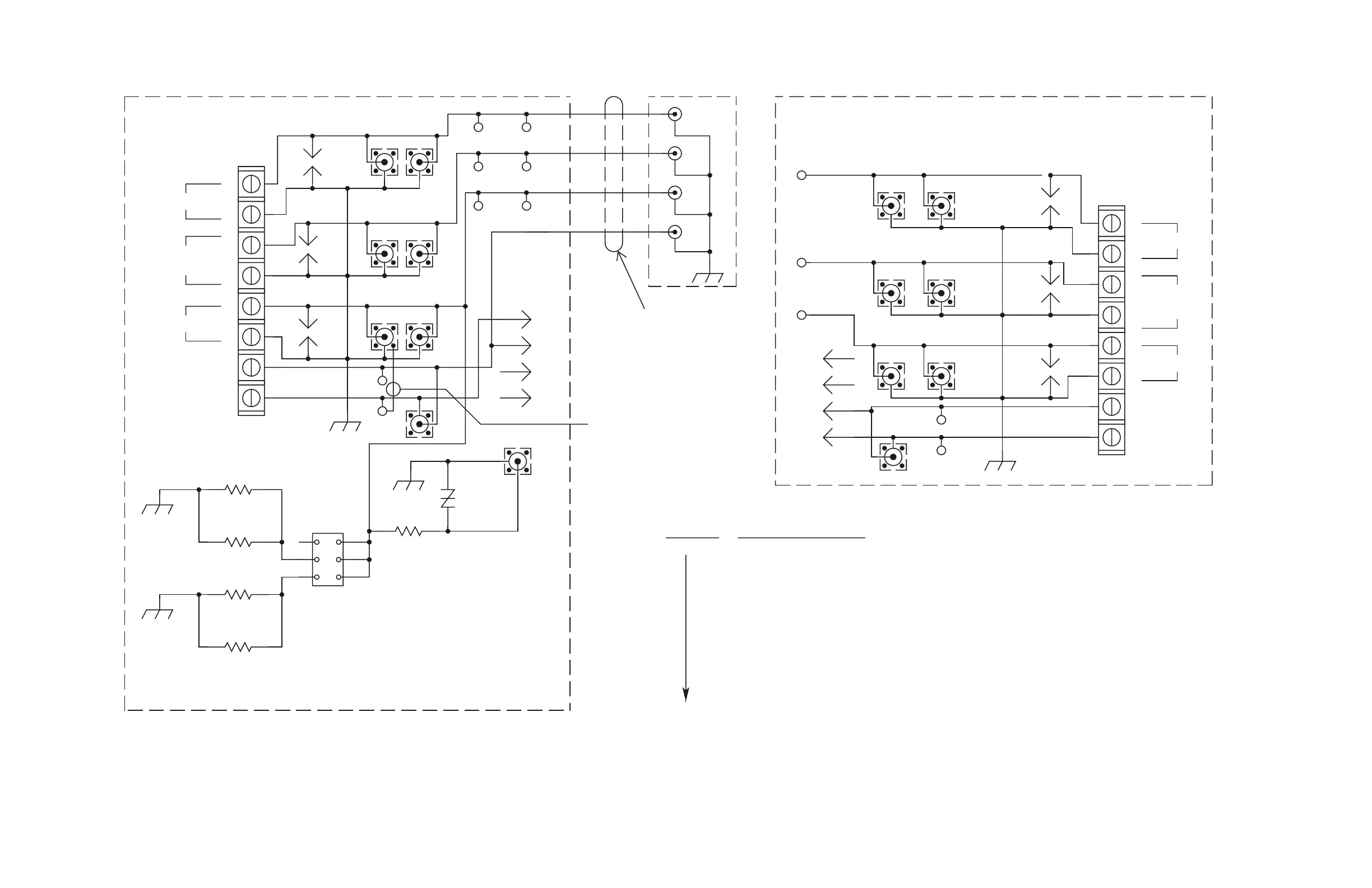
Figure 17-36. Schematic, RFL 9780 TX/RX RF Line I/O (Drawing No. C-106589-D)

Table of Contents