EasyManua.ls Logo

RFL Electronics 9780 - Page 469

Default Icon
482 pages
Print Icon
To Next Page IconTo Next Page
To Next Page IconTo Next Page
To Previous Page IconTo Previous Page
To Previous Page IconTo Previous Page
Loading...
RFL 9780 RFL Electronics Inc.
April 8, 2003 22-37 (973) 334-3100
J22
J9
J15
J11
J13 J14
J12
N/A
E6
1
2
J10
J23
3
90V
BBS
E3
1W
150
R4
4
1W
150
R5
J21
N/A
E5
90V
BBS
E2
90V
BBS
E1
J18
N/A
E4
J19
J17
8
7
6
5
4
3
2
1
J16
J20
8
7
6
J3
1W
100
R1
PO800EA
CR1
1W
100
R2
4
1W
100
R3
3
2
1
1
2
3
4
5
N/A
N/A
N/A
N/A
N/A
N/A
N/A
N/A
N/A
N/A
N/A
CONNECTIONS
WIRE
N/A
N/A
N/A
N/A
N/A
N/A
N/A
N/A
N/A
N/A
N/A
75
W13
W12
W11
W10
W9
J1
TB2
J8
W8
W7
W6
W5
W4
W3
W2
W1
J7
J6
J5
J2
TB1
50
OUT
"106593" BOARD
ECB ASSY 106585-9B
ECB ASSY 106585-9A
"106588" BOARD #1
PANEL MOUNTED
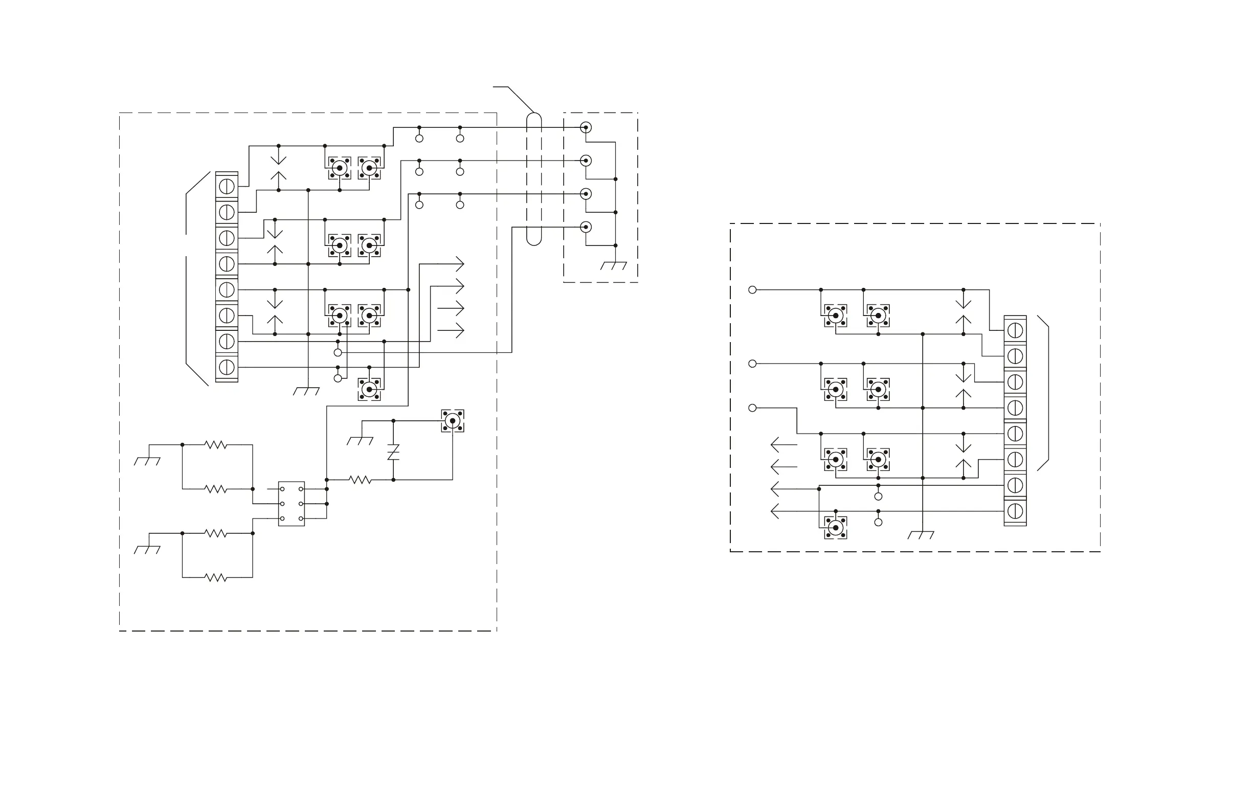
Figure 17-38. Schematic, RFL 9780 TX/RX RF Line I/O (Drawing No. D-106609-9-C)

Table of Contents