EasyManua.ls Logo

RFL Electronics 9780 - Page 470

Default Icon
482 pages
Print Icon
To Next Page IconTo Next Page
To Next Page IconTo Next Page
To Previous Page IconTo Previous Page
To Previous Page IconTo Previous Page
Loading...
RFL 9780 RFL Electronics Inc.
April 8, 2003 22-38 (973) 334-3100
5
4
3
2
1
1
2
3
4
6
7
8
R3
R2
CR1
R1
J3
J16
E1
E2
R5
R4
E3
J10
J12
J14J13
J11
J15
J9
J8
W8
W7
W6
W5
W4
W3
W2
W1
J7
J6
J5
J2
TB1
RX
CONN.
EXT
TX
1W
100
1W
100
PO800EA
1W
100
90V
BBS
90V
BBS
1W
150
1W
150
90V
BBS
50
OUT
75
"1
06588
" B
O
ARD
PANEL
MOUNTED
CONNECTIONS
WIRE
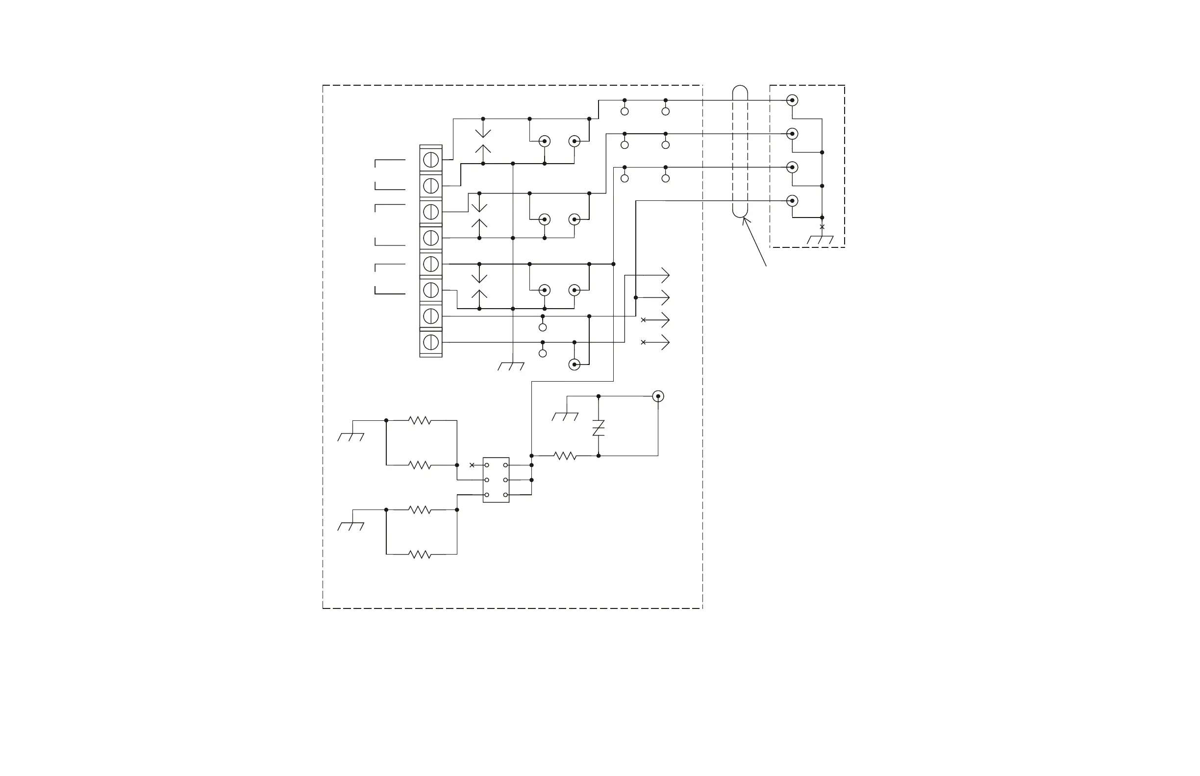
Figure 17-40. Schematic, RFL 9780 TX/TX RF Line I/O (Drawing No. C-106594-B)

Table of Contents