EasyManua.ls Logo

RFL Electronics 9780 - Page 478

Default Icon
482 pages
Print Icon
To Next Page IconTo Next Page
To Next Page IconTo Next Page
To Previous Page IconTo Previous Page
To Previous Page IconTo Previous Page
Loading...
RFL 9780 RFL Electronics Inc.
April 8, 2003 22-46 (973) 334-3100
1
A
15
A2
C1
C24
A
24
C23
A
23
C2
A
31
C31
A
32
C32
C15
A
16
C16
C12
A1
2
3
4
A3
C3
A4
C4
A
14
1
23
4
TB1
C4
C3
R1C2 C1
VR1
TB1
TB1
TB1
C5
L2
L1
CHASSIS
3KV
.01uF
3KV
.01uF
1/2W
330K
275VAC
.22uF
275VAC
.22uF
SEE_TABLE
47uF
120uH
105426
V275LC40B
V130LC20B48/125 VDC
250 VDC106455-2
106455-1
VR1INP. VOLTASSY NO.
SW
+
+
_
_
PS2 PWR. INP.
PS2 PWR INP.
PS1 PWR. INP.
PS1 PWR INP.
F1
SW1
TO SW1 W1W2
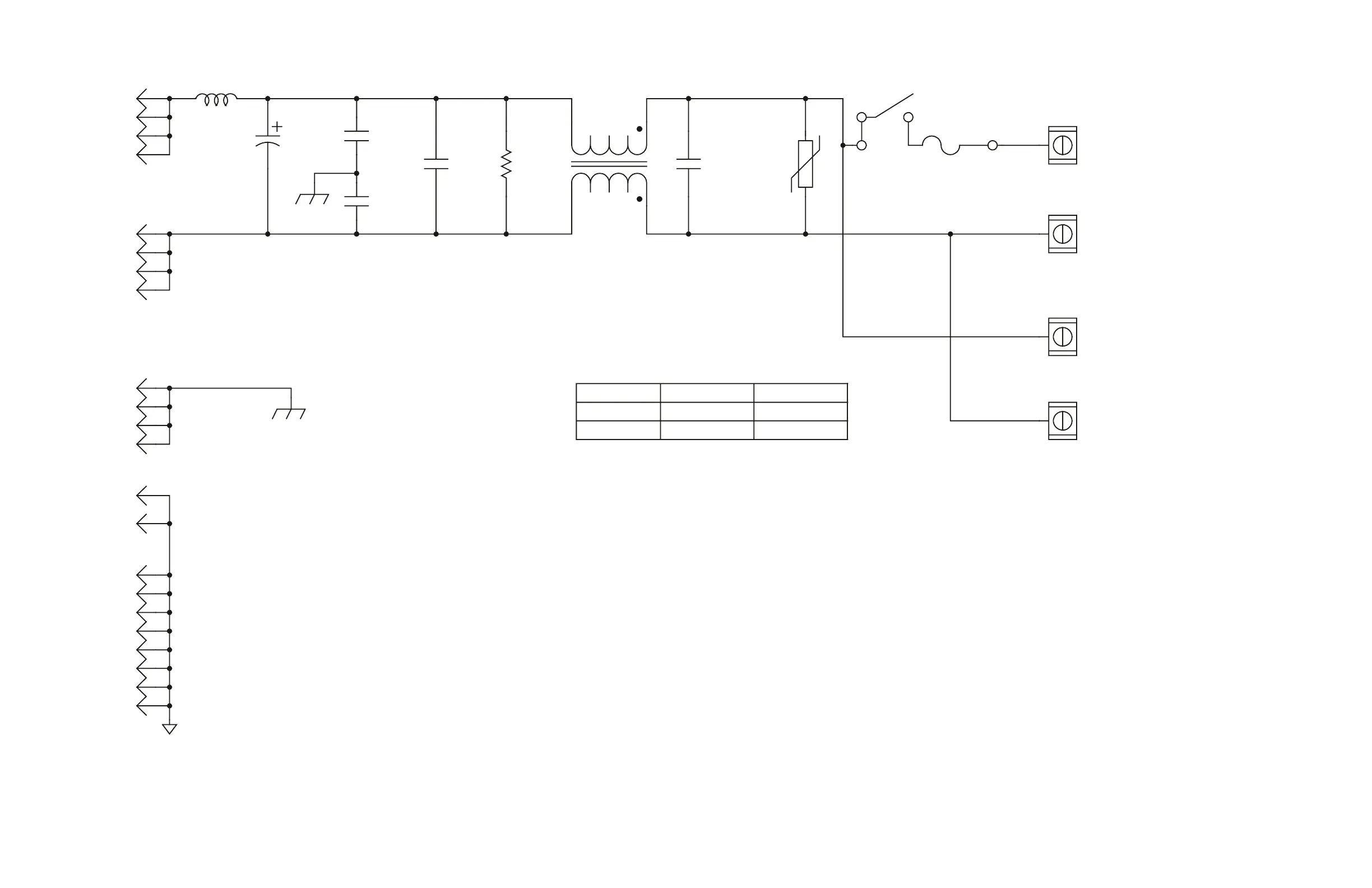
Figure 19-8. Schematic, RFL 9780 Power Supply I/O (Drawing No. B-106459-A)

Table of Contents