EasyManua.ls Logo

Thermal Dynamics iCNC Performance - B.4.13 Y2 Alignment Cable for Teknic Motor

Thermal Dynamics iCNC Performance
138 pages
Print Icon
To Next Page IconTo Next Page
To Next Page IconTo Next Page
To Previous Page IconTo Previous Page
To Previous Page IconTo Previous Page
Loading...
iCNC Performance
B-26 APPENDIX B Manual 0-5401
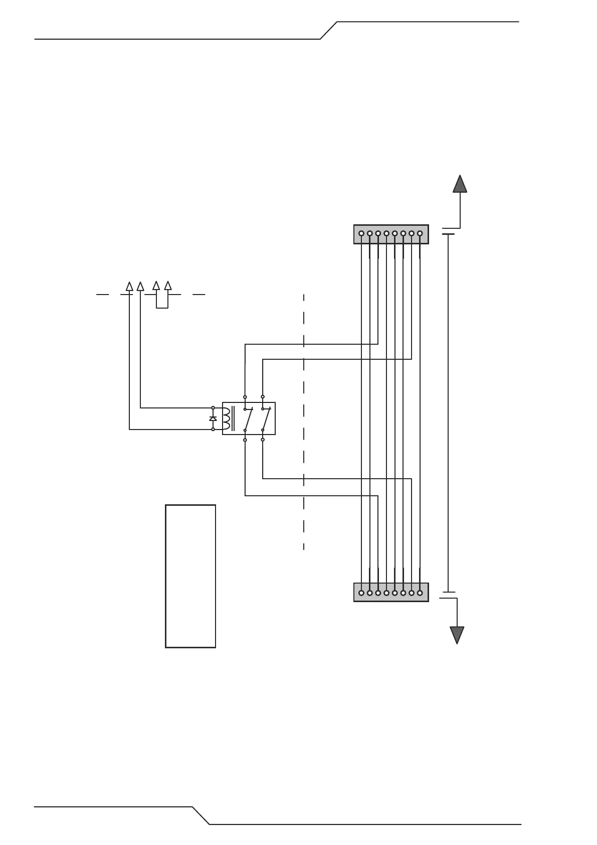
B.4.13 Y2 Alignment Cable For Teknic Motor
1
2
3
4
5
6
7
8
Y-CTRL1
Housing: Molex 39-01-2080 (Digikey WM3703-ND)
Terminals: Molex 39-00-0047 (Digikey WM2503-ND)
22-28AWG / 0.08-0.3mm2
1
2
3
4
5
6
7
8
Y-CTRL
Plug: Molex 39-01-3083 (Digikey WM1019-ND)
Pins: Molex 39-00-0040 (Digikey WM2500CT-ND)
18-24AWG / 0.2-0.8mm2
Servo OK+
Dir+
Step+
Enable+
Servo OK-
Step-
Dir-
Enable-
Servo OK+
Dir+
Step+
Enable+
Servo OK-
Step-
Dir-
Enable-
OUTPUTSx #xx-NO
SPEED Y2 - PIN5 = 24Vdc
OUTPUTSx #xx-COM
INPUTSx #GND
Servo Adapter Card
External relay circuit for Y2 alignment
Cable Length 150mm / 6in
Connect Step signals on NC relay contacts
Cable 4 x 2 x 0.25mm²
Connect to Y CTRL Cable
Connect to Y-CTRL connector
on Servo Adapter Card
NC
24VDC Relay
With Back EMF diode
Twisted pairs:
Pair1: #1 / #5
Pair2: #2 / #6
Pair3: #3 / #7
Pair4: #4 / #8

Table of Contents