EasyManua.ls Logo

Yamaha F15A - Upper Case Ass’y

Yamaha F15A
511 pages
Print Icon
To Next Page IconTo Next Page
To Next Page IconTo Next Page
To Previous Page IconTo Previous Page
To Previous Page IconTo Previous Page
Loading...
E
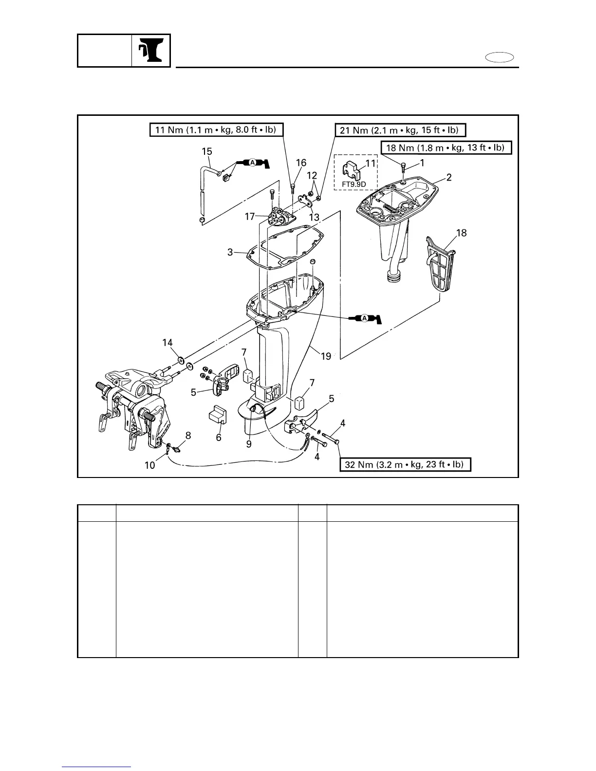
UPPER CASE ASS’Y
BRKT
7-17
UPPER CASE ASS’Y
EXPLODED DIAGRAM
REMOVAL AND INSTALLATION CHART
Step
1
2
3
4
5
6
7
8
9
Q’ty
2
1
1
4
2
1
2
1
1
Service points
Follow the left ”Step” for removal.
Front: M10 x 70 mm/Rear: M10 x 100 mm
Procedure/Part name
UPPER CASE ASS’Y REMOVAL
Bolt
Oil pan ass’y
Gasket
Bolt
Lower mount rubber housing
Lower rubber damper (front)
Lower rubber damper (side)
Grease nipple
Screw

Table of Contents

Other manuals for Yamaha F15A

Related product manuals