EasyManua.ls Logo

Yamaha F15A - Starting System

Yamaha F15A
511 pages
Print Icon
To Next Page IconTo Next Page
To Next Page IconTo Next Page
To Previous Page IconTo Previous Page
To Previous Page IconTo Previous Page
Loading...
E
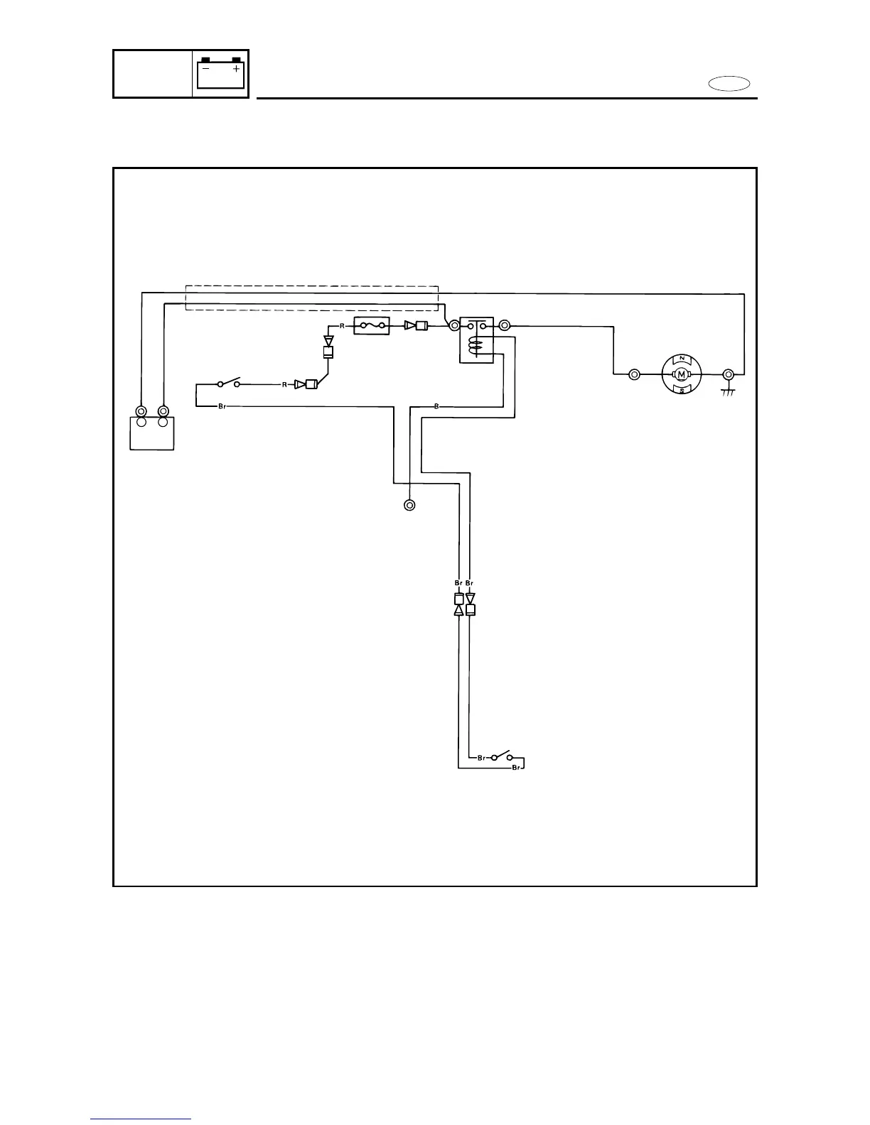
STARTING SYSTEM
ELEC
STARTING SYSTEM
WIRING DIAGRAM (EH MODELS)
1 Battery
2 Starter switch
3 Fuse
4 Starter relay
5 Starter motor
6 Neutral switch
Br :Brown
R :Red
8-19

Table of Contents

Other manuals for Yamaha F15A

Related product manuals