EasyManua.ls Logo

Yamaha F15A - Ignition Control System

Yamaha F15A
511 pages
Print Icon
To Next Page IconTo Next Page
To Next Page IconTo Next Page
To Previous Page IconTo Previous Page
To Previous Page IconTo Previous Page
Loading...
E
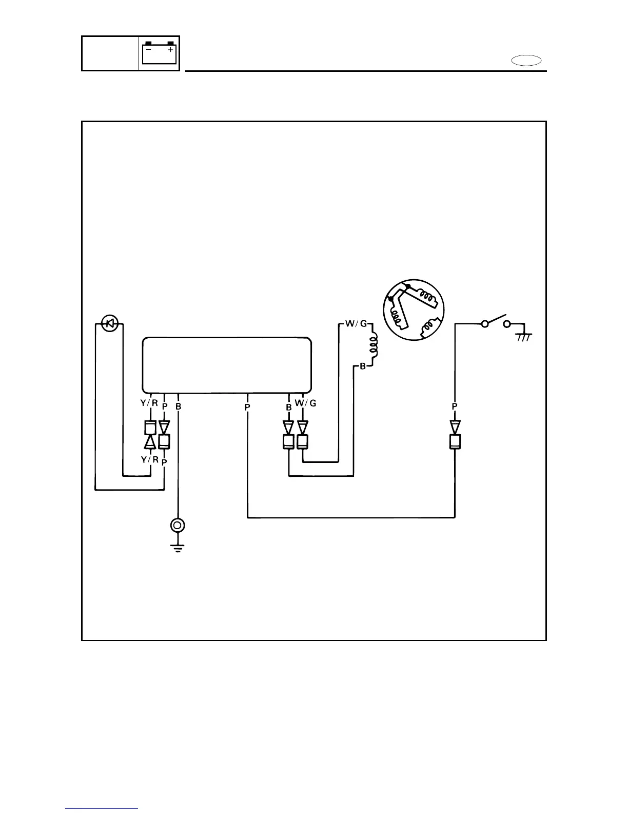
IGNITION CONTROL SYSTEM
ELEC
IGNITION CONTROL SYSTEM
WIRING DIAGRAM (MH/EH MODELS)
1 Pulser coil
2 Oil pressure switch
3 Low-oil-pressure warning
lamp (LED)
4 CDI unit
B :Black
P :Pink
W/G :White/Green
Y/R :Yellow/Red
8-16

Table of Contents

Other manuals for Yamaha F15A

Related product manuals