EasyManua.ls Logo

Yamaha F15A - Port Side View and Rear Views

Yamaha F15A
511 pages
Print Icon
To Next Page IconTo Next Page
To Next Page IconTo Next Page
To Previous Page IconTo Previous Page
To Previous Page IconTo Previous Page
Loading...
E
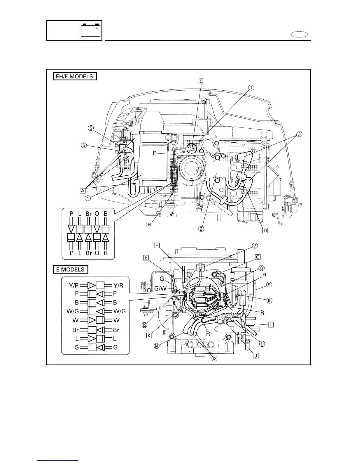
ELECTRICAL COMPONENTS
ELEC
(Port side view and rear views)
1 Oil pressure switch
2 Ignition coils
3 Spark plugs
4 Starter motor
5 Starter relay
6 Rectifier/regulator
(marked 6G8)
Regulator (marked 6G1)
7 Pulser coil
8 CDI unit
9 Starter motor
0 Starter relay
q Fuse (10A/20A)
w
Choke solenoid (for E models)
e
Battery cable
r
Wire harness
A Cover the battery cable and
wire lead after tightening the
nut, then apply grease.
B Cover the oil pressure switch
lead, ignition coil lead and
charge coil lead with the cor-
rugated plastic tube after
connecting the same color
leads.
C Install the connector in the
proper direction as shown.
D Pass each high tension cord
through the grommet.
8-3

Table of Contents

Other manuals for Yamaha F15A

Related product manuals