EasyManua.ls Logo

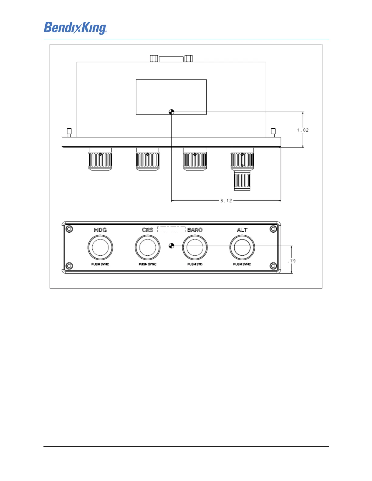
BENDIXKing XVUE TOUCH - Figure A-4 KCP 100 EXP Dimensions and Center of Gravity - Landscape Orientation

BENDIXKing XVUE TOUCH
280 pages
Print Icon
To Next Page IconTo Next Page
To Next Page IconTo Next Page
To Previous Page IconTo Previous Page
To Previous Page IconTo Previous Page
Loading...
89000109-002 xVue Touch Installation Manual
Rev 2 Page A-4
© Honeywell International Inc. Do not copy without express permission of Honeywell.
For Use in Non-Certified Aircraft
Figure A-4 KCP 100EXP Dimensions and Center of Gravity - Landscape Orientation

Table of Contents

Related product manuals