EasyManua.ls Logo

Midas PRO2 - Returns Signal Flow

Midas PRO2
582 pages
Print Icon
To Next Page IconTo Next Page
To Next Page IconTo Next Page
To Previous Page IconTo Previous Page
To Previous Page IconTo Previous Page
Loading...
Returns signal flow 297
PRO2 Live Audio System
Owner’s Manual
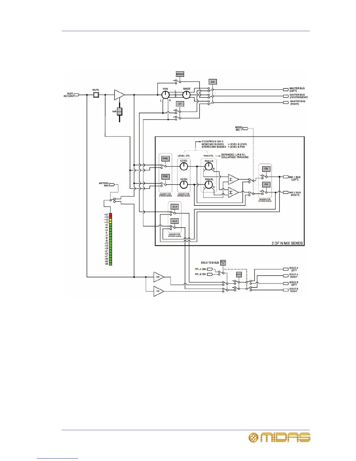
Returns signal flow

Table of Contents

Other manuals for Midas PRO2

Related product manuals