EasyManua.ls Logo

Omicron CIBANO 500 PTM - Page 308

Omicron CIBANO 500 PTM
334 pages
To Next Page IconTo Next Page
To Next Page IconTo Next Page
To Previous Page IconTo Previous Page
To Previous Page IconTo Previous Page
Loading...
CIBANO 500 PTM User Manual
308 OMICRON
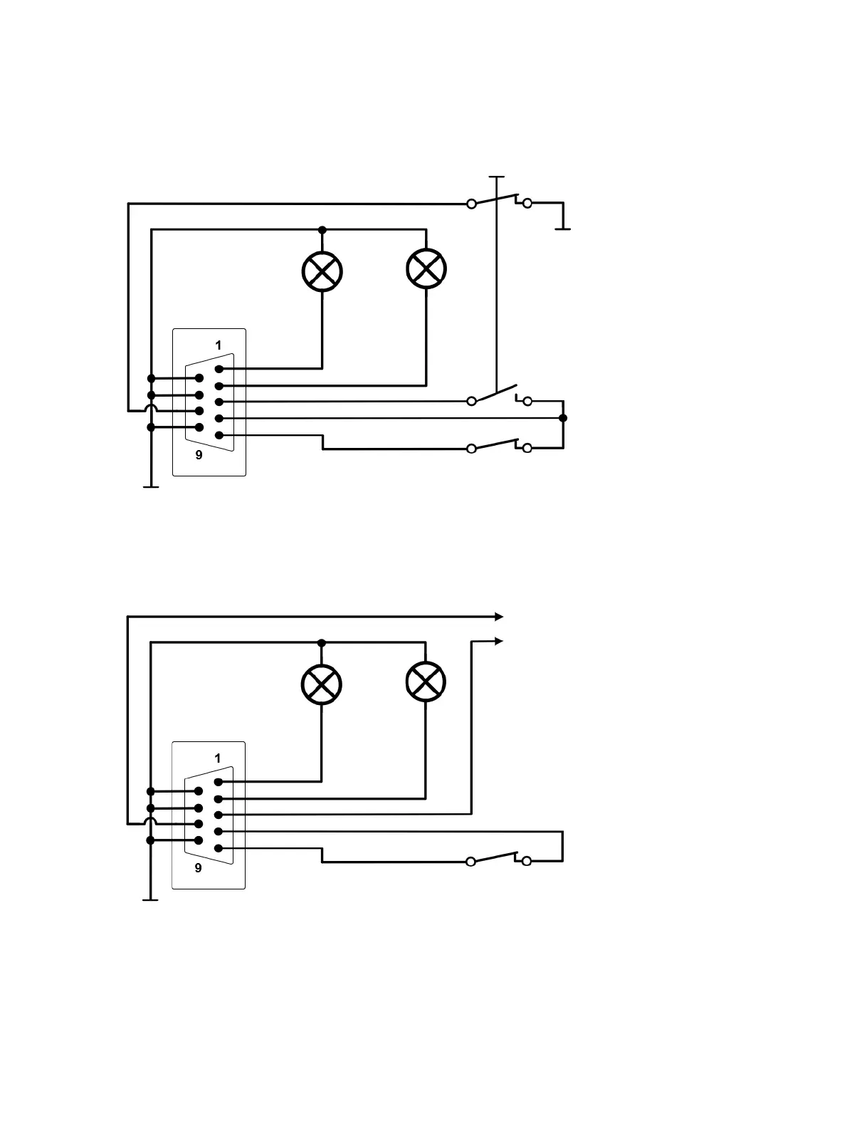
Figure 21-3: SAFETY 1 (primary) connector schematics
Figure 21-4: SAFETY 2 (secondary) connector schematics
SAFETY 1
(primary)
Green
status
light
Red
status
light
External EMERGENCY STOP switch
External START
switch (Opener)
External START
switch (Closer)
SAFETY 2
(secondary)
External EMERGENCY STOP switch
Red
status
light
Green
status
light
Connect to next
device's
SAFETY or
SAFETY 1
(primary)
connector
PIN 8
PIN 3

Table of Contents

Related product manuals