EasyManua.ls Logo

Omicron CIBANO 500 PTM - Page 32

Omicron CIBANO 500 PTM
334 pages
To Next Page IconTo Next Page
To Next Page IconTo Next Page
To Previous Page IconTo Previous Page
To Previous Page IconTo Previous Page
Loading...
CIBANO 500 PTM User Manual
32 OMICRON
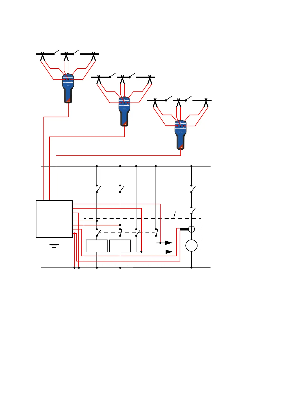
Figure 5-5: Typical measurement setup for testing high-voltage circuit breakers
Trip coil
CIBANO 500
A1
A2
AN
B1
B2
BN
+
AUX 1 AUX 2
B4
M
Circuit
breaker
EXTERNAL
MODULES
CB MC2
CB MC2
CB MC2
Close coil

Table of Contents

Related product manuals