EasyManua.ls Logo

Omron SYSDRIVE 3G3RV Series - Using an Analog Operator

Omron SYSDRIVE 3G3RV Series
446 pages
To Next Page IconTo Next Page
To Next Page IconTo Next Page
To Previous Page IconTo Previous Page
To Previous Page IconTo Previous Page
Loading...
1
0
-
10
K
KK
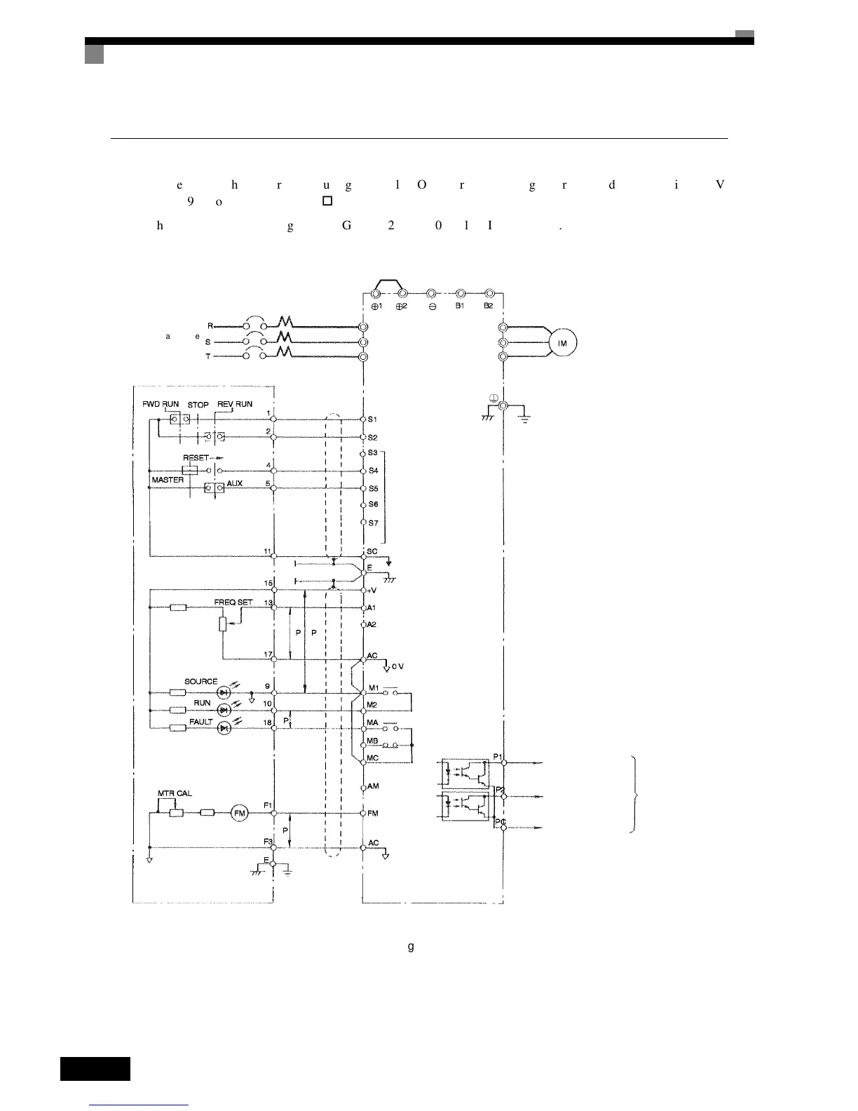
K Using an Analog Operator
This
example
shows
wiring
for
using
an
Analog
Operator.
The
Analog
Operator
model
number
is
3G3IV-
PJVOP95o
or
3G3IV-PJVOP96o.
This
example
shows
wiring
for
the
3G3RV-A2075
(200-V
class
Inverters
of
7.5
kW)
Fig 10.6
MCCB
3-phase power
Inverter
Motor
Ground to 100 max.
Forward run command
(forward run when closed)
Reverse run command
(reverse run when closed)
Multi-function contact inputs
Sequence common (0 V)
Shield terminal
Master speed (0 to 10 V, 20 k)
Speed setting power (15 V, 20 mA)
Master speed (4 to 20 mA, 250 )
Fault contact output
Multi-function contact
output (Default: Running
signal)
3G3IV-PJVOP-95o,
C-96o Analog Operator
Frequency meter
Multi-function
analog output
Multi-function
analog output
(Default: Output
frequency)
Open collector 1 (Default:
Zero speed signal)
Open collector 2 (Default:
Speed agreement signal)
Multi-function output
common
Multi-function open-
collector output 48 V,
50 mA max.
Short-circuit bar
(Standard)
R/L1
S/L2
T/L3
U/T1
V/T2
W/T3

Table of Contents

Related product manuals