EasyManua.ls Logo

Omron SYSDRIVE 3G3RV Series - Page 435

Omron SYSDRIVE 3G3RV Series
446 pages
To Next Page IconTo Next Page
To Next Page IconTo Next Page
To Previous Page IconTo Previous Page
To Previous Page IconTo Previous Page
Loading...
1
0
-
12
K
KK
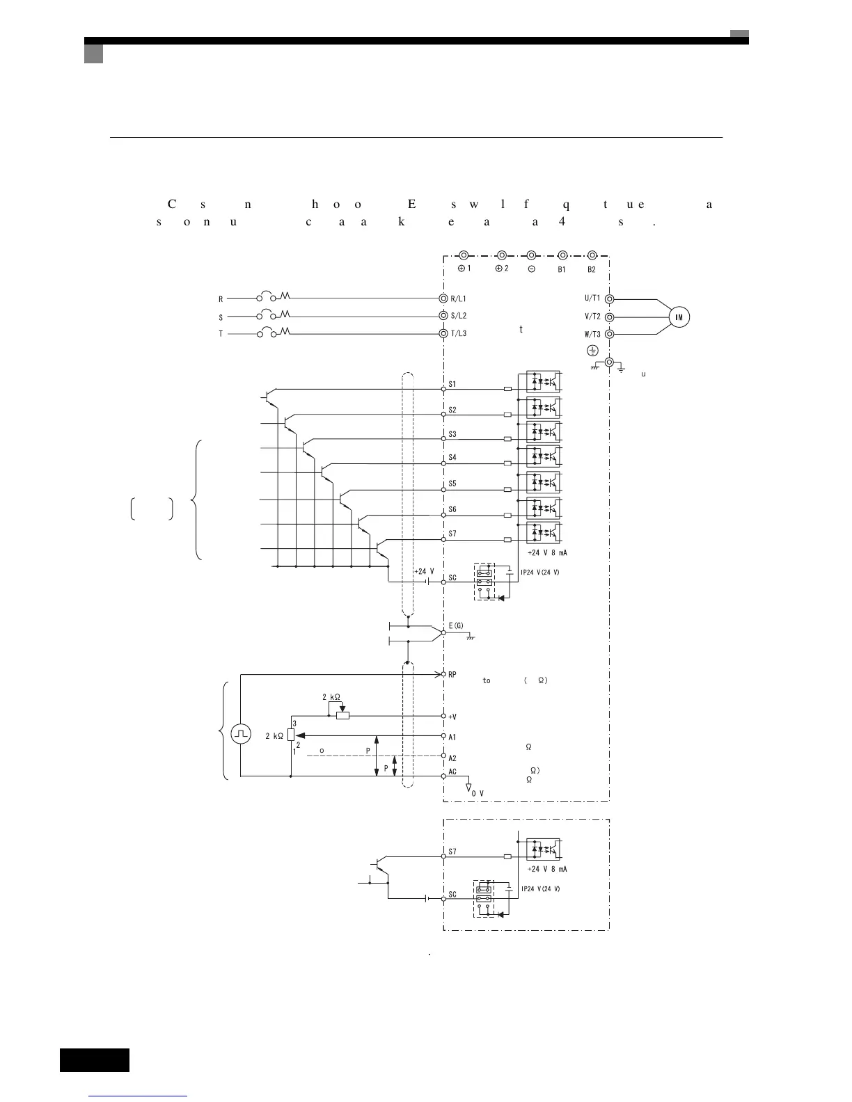
K Using Transistors for Input Signals and a 0-V Common in Sinking Mode
with an External Power Supply
Set
CN5
(shunt
connector)
on
the
control
card
to
EXT
as
shown
below
for
a
sequence
that
uses
an
NPN
tran-
sistor
for
an
input
signal
(0-V
command
and
sinking
mode)
and
an
external
+24-V
power
supply.
Fig 10.8
Inverter
G
round
4 to 20 mA
0 to +10 V
P
ulse train input
Frequency setting power
+15 V 20 mA
Master speed reference
Master speed reference
Frequency
setter
3-phase power
MCCB
Shield
terminal
Multi-step
speed setting 1
Multi-step
speed setting 2
Jog frequency
selection
Forward Run/Stop
Reverse Run/Stop
E
xternal fault
F
ault reset
Multi-function
contact inputs
F
actory
s
ettings
M
otor
External
+24 V
N
ote:
Master speed pulse train
0
32 kHz 3 k
High level: 3.5 to 13.2 V input
Frequency setting
adjustment
External
frequency
references
When using an external +24-V power supply for
a sequence connection for a PNP tansistor
input signal, set the EXT as shown at the right.
CN5 (EXT setting)
4 to 20 mA (250
0 to 10 V (20 k ) input
0 to 10 V (20 k
)
CN5 (EXT setting)

Table of Contents

Related product manuals