EasyManua.ls Logo

Omron SYSMAC CV Series - Page 415

Omron SYSMAC CV Series
636 pages
Print Icon
To Next Page IconTo Next Page
To Next Page IconTo Next Page
To Previous Page IconTo Previous Page
To Previous Page IconTo Previous Page
Loading...
403
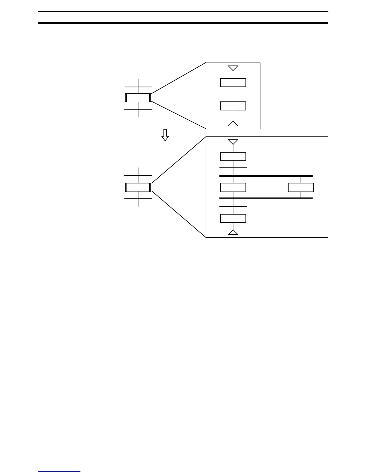
The contents of a subchart will be changed if the step number of a subchart
dummy step is specified for N. The number of the steps in the subchart can be
changed, as shown in the following diagram.
ST0100
ST0510
ST0500
ST0600
ST0610
ST0630
ST0620
ST0100
0500
0600
FLSP(183) can be used only by CPUs that support SFC programming.
N must be BCD between 0000 and 0511 for the CV500, or between 0000 and
1023 for the CV1000 or CV2000.
FLSP(183) cannot be used in an interrupt program.
Online editing cannot be performed while FLSP(183) is being executed.
Write the execution condition for FLSP(183) so that the instruction will not be
executed if the Memory Card Instruction Flag (A34313) is ON (when another
Memory Card instruction is being executed).
The number of actions in the step program file must match the number in the
step being replaced. If the number of actions is not the same, the Memory Card
Read Error Flag (A34310) will be turned ON and the instruction won’t be
executed.
Note Refer to page 115 for general precautions on operand data areas.
Flags ER (A50003): A Memory Card is not mounted.
N is not BCD between 0000 and 0511 for the CV500, or be-
tween 0000 and 1023 for the CV1000 or CV2000.
Content of *DM word is not BCD when set for BCD.
A34310: The number of actions in the step program file doesn’t match
the number in the step being changed.
The indicated step is active, or an action within the step with
an action qualifier of “S” is being executed.
The indicated step doesn’t exist.
Precautions
Memory Card Instructions Section 5-34

Table of Contents

Related product manuals