EasyManua.ls Logo

REXROTH IndraDrive C - Page 173

REXROTH IndraDrive C
306 pages
Print Icon
To Next Page IconTo Next Page
To Next Page IconTo Next Page
To Previous Page IconTo Previous Page
To Previous Page IconTo Previous Page
Loading...
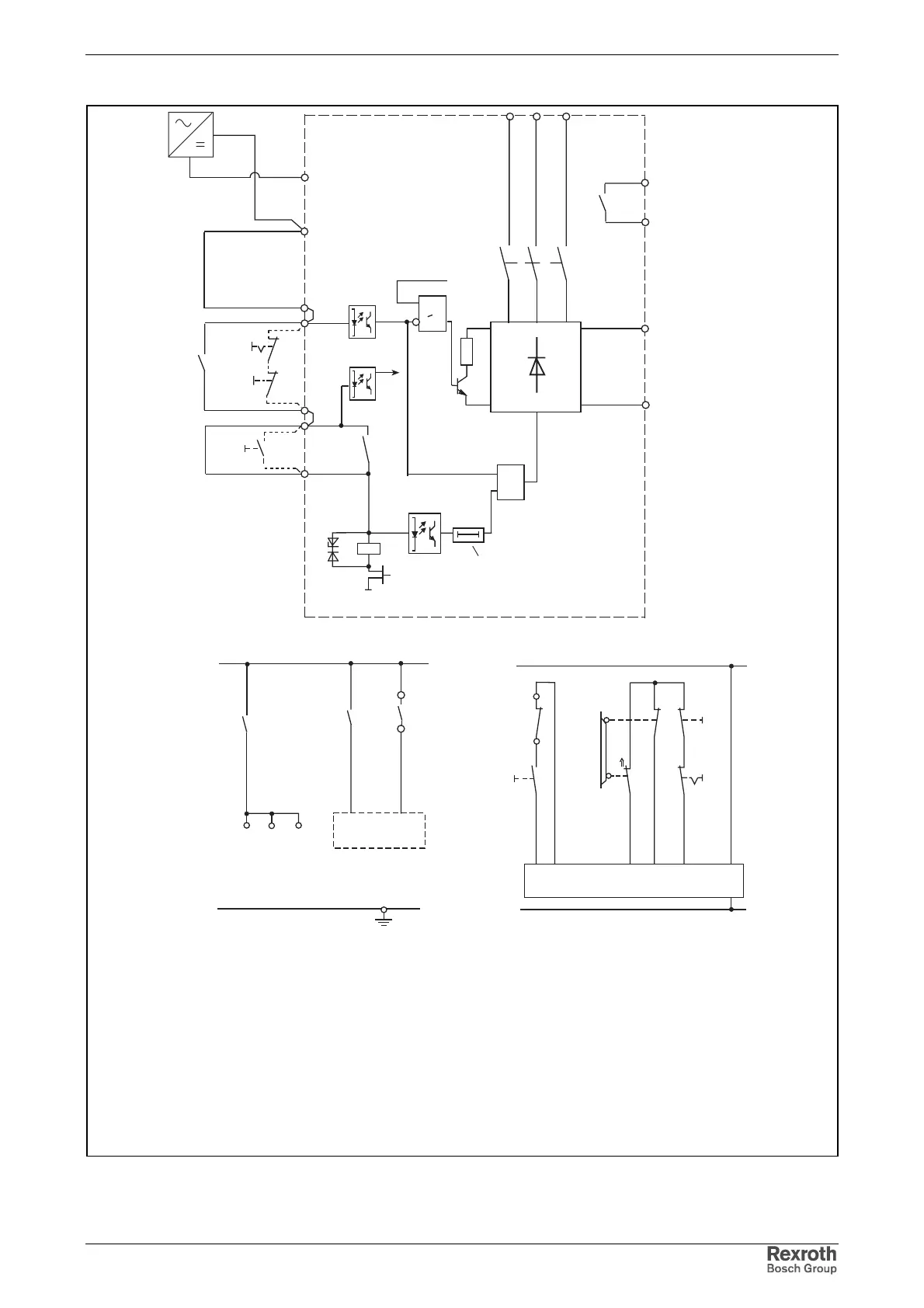
Rexroth IndraDrive Control Circuits for the Mains Connection 11-13
DOK-INDRV*-SYSTEM*****-PR02-EN-P
12
Drive
controllers
0V
U V W
K1
&
enable
converter
K
DC bus
short circuit
Power supply unit
>1
A10
S1
S4
Control voltage
S11
S12
K1
Emergency-stop ralay
A10
safety door
closed
ready-to-
operate
RF
AF
AF
AF
S5
K1
1)
1)
braking
resistor
control
2)
SS4HMV.fh7
Bb1
for diagnostics
UD
3
Machine
control
Bb
signal
processing
Example. Depending on safety requirements at
the machine, additional monitoring devices and
locks may be necessary!
A10 = Emergency-stop relay
AF = drive enable of the drive controllers
Bb1 = power supply units ready (drive system)
Bb = drive controllers ready
CNC = lag error message of control (use only contacts that do not open when E-stop switch is open)
K1 = mains contactor in power supply unit
K4 = drive enable signal control
RF = drive enable signal of the control unit
S1 = Emergency-stop
S2 = axis end position
S4 = power OFF
S5 = power ON
S11/S12 = safety door monitor
+24V
+/- 5%
L+
L-
24 V +/-5%
0 V
ON delay
approx. 1.5 seconds ... 4 minutes 3)
1) K1 control if no emergency-stop switch is used
2) unregulated rectifier in HMV01.1E; regulated one in HMV01.1R
3) depending on power supply unit and possibly connected external capacitors
X32/9
X32/1
X32/8
X32/7
X32/6
X32/5
X32/4
X3
X31/5
X31/6
X33/1
X33/2
X31/4
X31/3
Fig. 11-7: Control for position-controlled shutdown of the drives by control unit
(without DC bus short circuit)

Table of Contents

Related product manuals