EasyManua.ls Logo

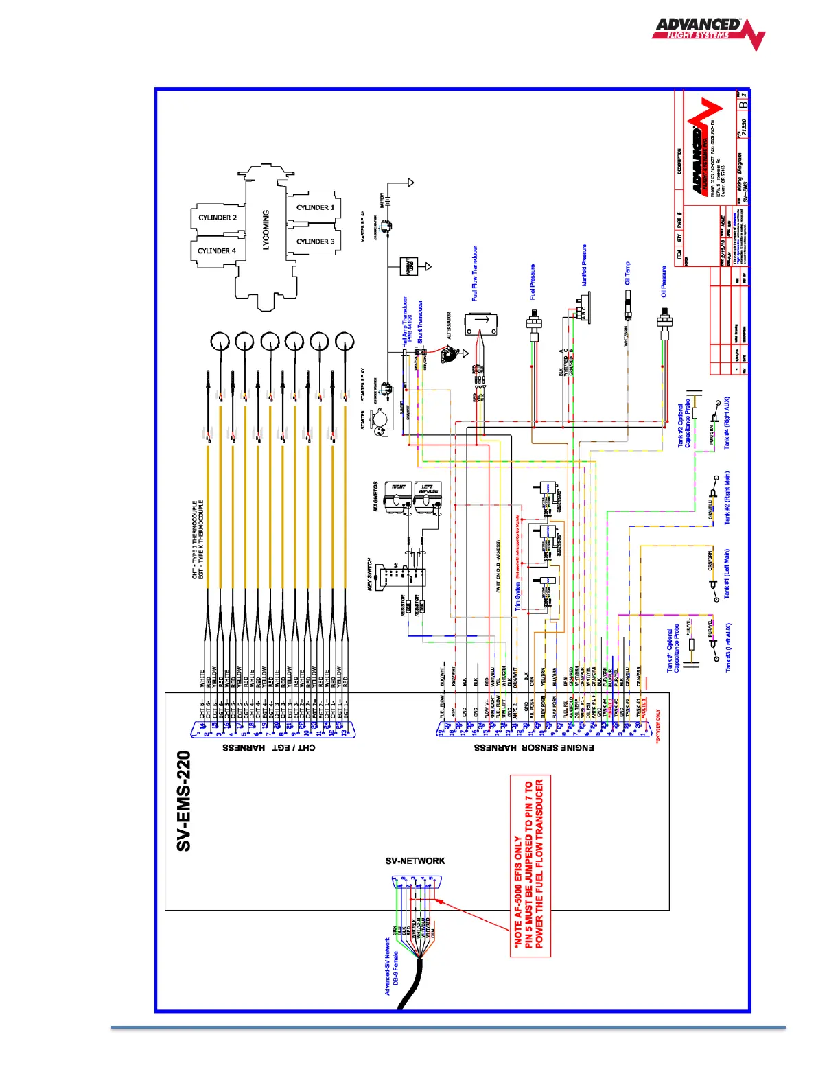
Advanced AF-6600 - SV-EMS 220 Sensor and Transducer Wiring

Advanced AF-6600
267 pages
Print Icon
To Next Page IconTo Next Page
To Next Page IconTo Next Page
To Previous Page IconTo Previous Page
To Previous Page IconTo Previous Page
Loading...
Version 16.10 AF-6600 AF-5000 Series Install Manual 125
SV-EMS 220 Sensor and Transducer Wiring

Table of Contents