EasyManua.ls Logo

Fujitsu PRIMERGY RX4770 M5 - Connectors and Indicators; System Board; Bottom System Board

Fujitsu PRIMERGY RX4770 M5
455 pages
Print Icon
To Next Page IconTo Next Page
To Next Page IconTo Next Page
To Previous Page IconTo Previous Page
To Previous Page IconTo Previous Page
Loading...
16.2 Connectors and indicators
16.2.1
System board
16.2.1.1 Bottom system board
Onboard connectors
VGA
Management
LAN
SSD2
M.2
M.2
SSD1
CPU 2 DIMM 2J
CPU 2 DIMM 1H
CPU 2 DIMM 1G
CPU 2 DIMM 2G
CPU 2 DIMM 1J
CPU 2 DIMM 2H
CPU 2 DIMM 1K
CPU 2 DIMM 2L
CPU 2 DIMM 2M
CPU 2 DIMM 1M
CPU 2 DIMM 2K
CPU 2 DIMM 1L
CPU 1 DIMM 1C
CPU 1 DIMM 2C
CPU 1 DIMM 1B
CPU 1 DIMM 2B
CPU 1 DIMM 1A
CPU 1 DIMM 2A
CPU 1 DIMM 2D
CPU 1 DIMM 1D
CPU 1 DIMM 2E
CPU 1 DIMM 1E
CPU 1 DIMM 2F
CPU 1 DIMM 1F
CPU 1
CPU 2
JP3
JP2
JP1
1
12
PUMP1
PUMP2
FAN 5/6 SYS
VROC
Front
Panel
SATA ODD
Slimline6
USB3.0
Front
INDICATE CSS
CLR CMOS
TPM
Slot OCP module
Slot 2 (CPU1)
Slot Riser Card Slot 5 (CPU2)
Slot 1 (CPU1)
Slot 8 (CPU2)
Micro SD
ROC
USB5
Battery
FAN 3/4 SYS
FAN 1/2 SYS
FAN 7/8 SYS
FAN 9/10 SYS
FAN 11/12 SYS
OOB
Expander I2C
Expander PWR
HSBP PWR
Front
VGA
Serial
iRMC
S5
PCH
USB 3.0
Slimline5
HDD LED
Slot OCP module
P30
HSBP PWR
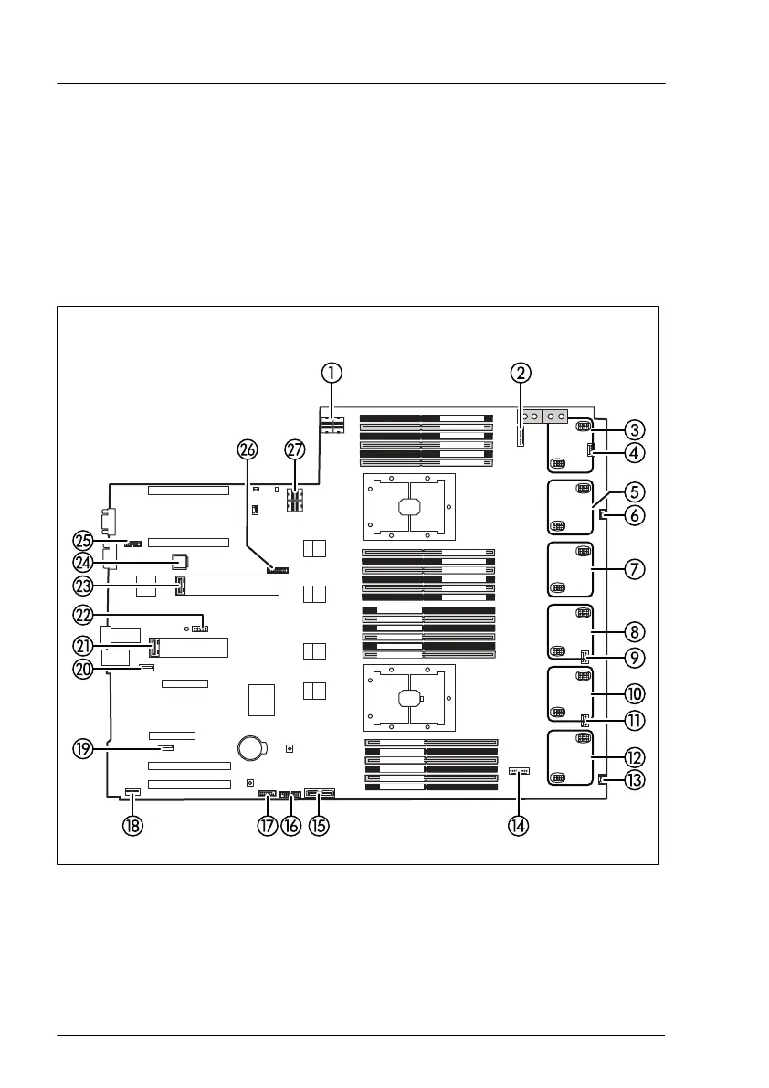
Figure 243: Internal connectors of the bottom system board
Appendix A
406 Upgrade and Maintenance Manual RX4770 M5

Table of Contents

Related product manuals